EasyManua.ls Logo

Princeton Instruments PI-MAX4 - B.4 PI-MAX4: 1024 i-RF

Princeton Instruments PI-MAX4
326 pages
Print Icon
To Next Page IconTo Next Page
To Next Page IconTo Next Page
To Previous Page IconTo Previous Page
To Previous Page IconTo Previous Page
Loading...
282 PI-MAX
®
4 System Manual Issue 9
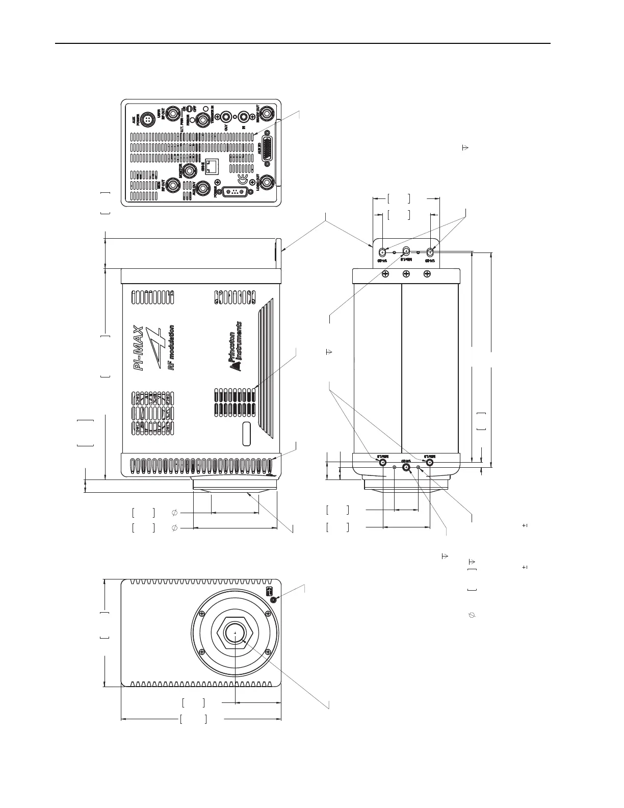
B.4 PI-MAX4: 1024i-RF
Figure B-8: Outline Drawing: PI-MAX4: 1024i-RF with C-mount Adapter
2.00 50.8
225.0
9.00
0.25].
REMOVABLE EXTENDER BRACKET
NOTES:
1. MOUNTING FACE TO IMAGE PLANE IS FACTORY PRESET
TO OPTICAL DISTANCE OF 0.690 0.010 [17.53
CATHODE COOLING INPUT
1.00"-32 THREAD
("C" MOUNT STANDARD)
SEE NOTE 1.
4.50 114.3
170.66.72
1.94 49.3
SEE NOTE 1.
AIR INTAKE VENTS
MOUNTING FACE
AIR EXHAUST VENTS
2.00 50.8
224.7±0.88.85±0.03
1.26 32.0
INTENSIFIER DEPENDENT
10.03
18.39
0.724
0.395
3.50 88.9
AIR INTAKE VENTS
M6x1.0
0.25
0.25
1/4-20 THREAD
6.5mm
1/4-20 THREAD
3.26
0.52
25.41.00
50.01.97
5.10.20
0.25[6.4]
18.3mm
2X 0.129
2.80 71.1
4411-0139_0155

Table of Contents

Related product manuals