EasyManua.ls Logo

Princeton Instruments PI-MAX4 - Figure B-9: Outline Drawing: PI-MAX4: 1024 I-RF with F-Mount Adapter

Princeton Instruments PI-MAX4
326 pages
Print Icon
To Next Page IconTo Next Page
To Next Page IconTo Next Page
To Previous Page IconTo Previous Page
To Previous Page IconTo Previous Page
Loading...
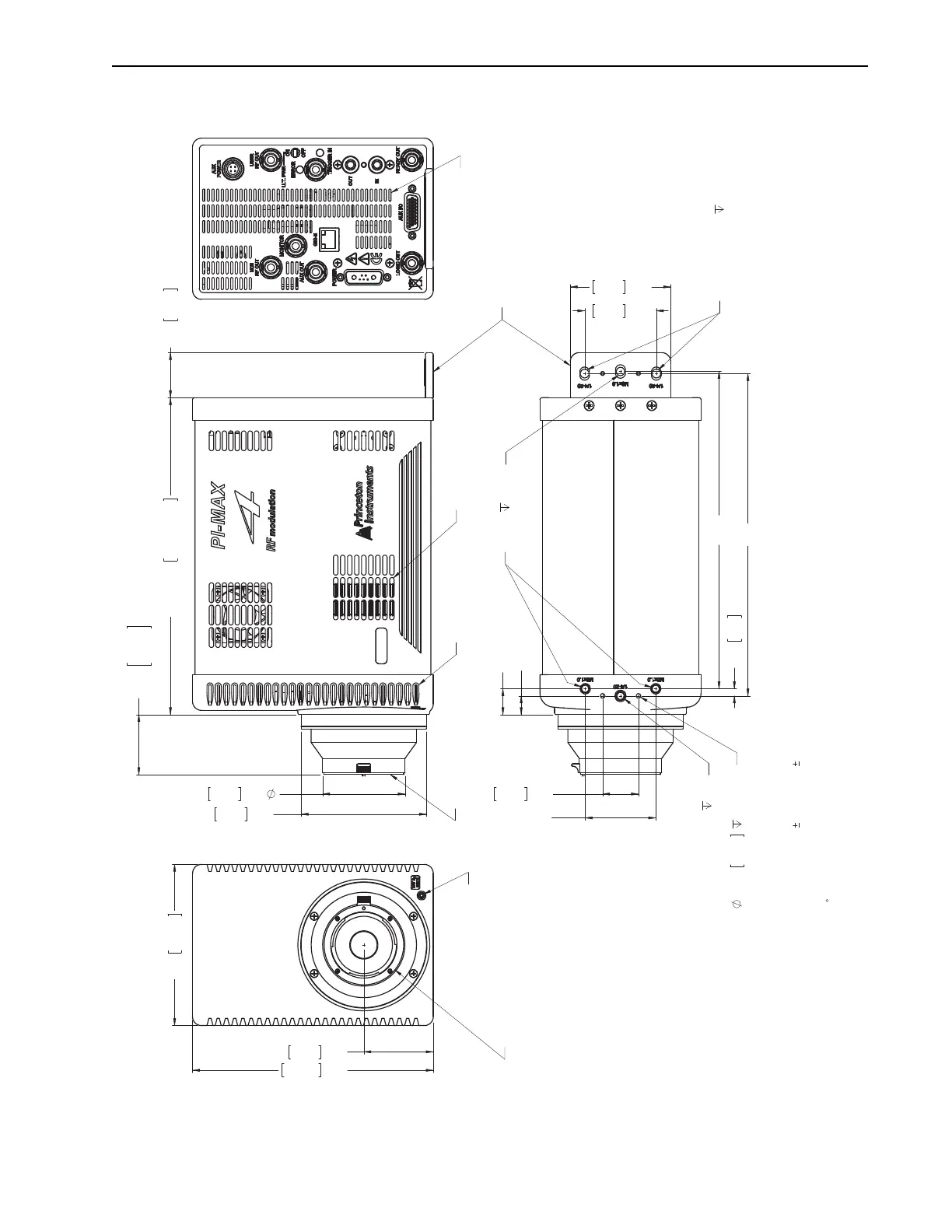
Appendix B Outline Drawings 283
Figure B-9: Outline Drawing: PI-MAX4: 1024i-RF with F-mount Adapter
50.8
225.0
2.00
9.00
REMOVABLE EXTENDER BRACKET
AIR INTAKE VENTS
CATHODE COOLING INPUT
NIKON "F" MOUNT ADAPTER
SEE NOTES 1 AND 2.
114.34.50
6.72 170.7
1.94 49.3
SEE NOTE 1.
AIR INTAKE VENTS
MOUNTING FACE
AIR EXHAUST VENTS
1.26
32.0
2.30 58.4
3.50 88.9
224.7±0.8
8.85±0.03
1.865
1.536
47.38
39.02
INTENSIFIER DEPENDANT
0.25
M6x1.0
0.25
1/4-20 THREAD
6.5mm
1/4-20 THREAD
1.00
0.20
0.25[6.4]
5.1
71.1
3.26
25.4
50.0mm
0.52
2X
0.129
2.80
18.3mm
INCREMENTS.
NOTES:
1. MOUNTING FACE TO IMAGE PLANE IS FACTORY PRESET
TO OPTICAL DISTANCE OF 1.831
0.010 [46.50
0.25].
2. LENS RELEASE TRIGGER ORIENTATION CAN BE
ROTATED IN 180
4411-0139_0156

Table of Contents

Related product manuals