EasyManua.ls Logo

Toro Groundmaster Series - PTO Clutch

Toro Groundmaster Series
355 pages
Print Icon
To Next Page IconTo Next Page
To Next Page IconTo Next Page
To Previous Page IconTo Previous Page
To Previous Page IconTo Previous Page
Loading...
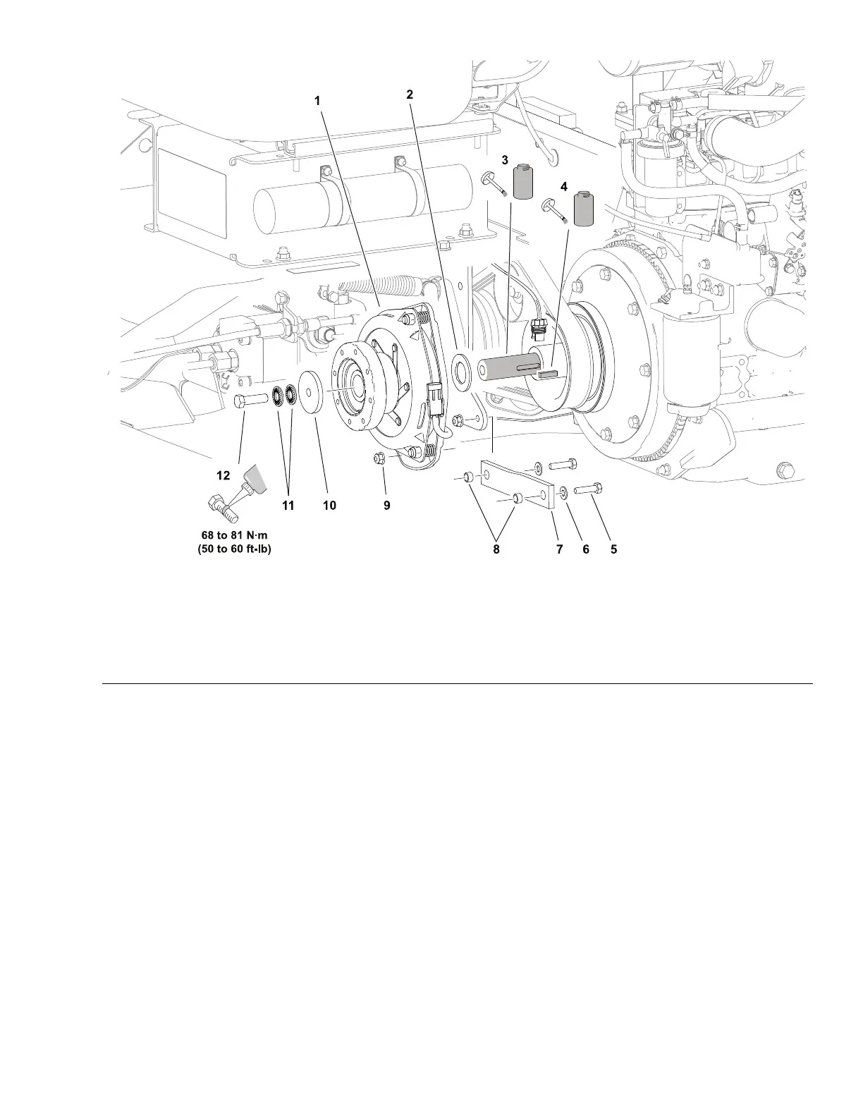
PTOClutch
g314358
Figure122
1.PTOclutch5.Capscrew(2each)9.Locknut(2each)
2.Washer
6.Washer(2each)10.Spacer
3.Stubshaft7.Stopstrap11.Springwasher
4.Squarekey8.Spacer(2each)12.Capscrew
ForPTOclutchtestingandadjustmentprocedures,refertoTestingthePTO
Clutch(page6–48)andAdjustingthePTOClutch(page7–4).
RemovingandInstallingthePTOClutch
1.RemovethePTOshaft;refertoRemovingandInstallingthePTOShaft
(page7–19).
2.Recordthepositionofthecabletiessecuringthewireharnessneartheclutch
andunplugtheclutchharnessconnectorfromthemachinewireharness.
3.Removetheclutchstopstrap.Locateandretrievethespacersfromthe
stopstrap.
4.Removethecapscrew,springwashers,andthespacerthatsecurethe
clutchtothestubshaft.
5.Slidetheclutchfromthestubshaft.Locateandretrievethesquarekeyand
thewasherfromthestubshaft.
6.Applyanti-seizelubricanttothestubshaftandkey,theninstallthewasher
andkeyonthestubshaft.
7.FitthePTOclutchontothestubshaft.
Groundsmaster
®
3200,3300and3310
Page7–21
Chassis:ServiceandRepairs
19240SLRevA

Table of Contents

Related product manuals