EasyManua.ls Logo

Toro Groundmaster Series - Testing the Steering and Lift Circuit - Lift Cylinder Internal Leakage

Toro Groundmaster Series
355 pages
Print Icon
To Next Page IconTo Next Page
To Next Page IconTo Next Page
To Previous Page IconTo Previous Page
To Previous Page IconTo Previous Page
Loading...
TestingtheSteeringandLiftCircuitLiftCylinderInternalLeakage
g299978
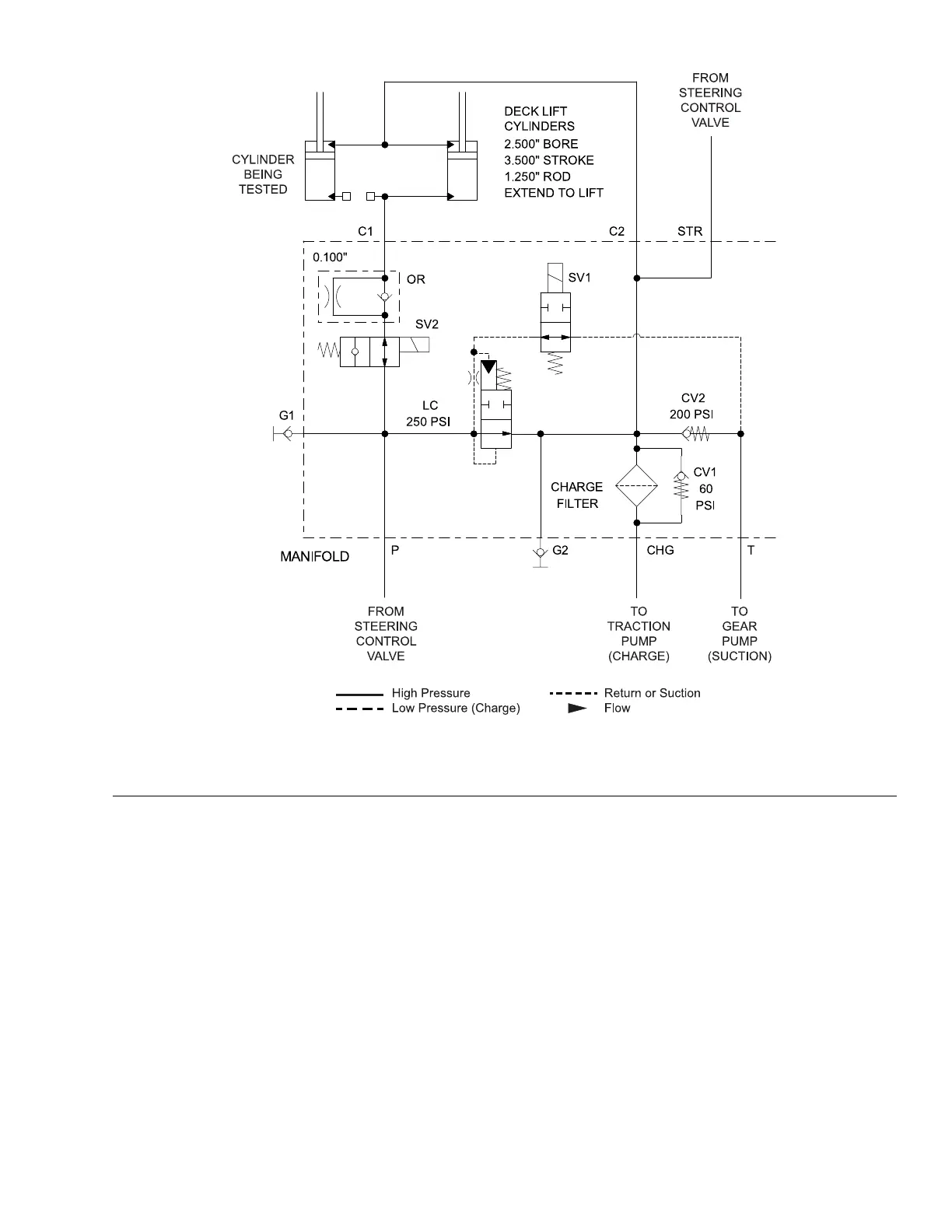
Figure41
LiftCylinderInternalLeakage
Performtheliftcylinderinternalleakagetestifyouidentifyacuttingunitliftor
lowerproblem.Thistestdeterminesiftheliftcylinderbeingtestedisdamaged.
Whenperformingtheliftcylinderinternalleakagetest,thecuttingunitshouldbe
attachedtotheliftarms.Eachliftcylindermustbetestedindividually.
Theraise/lowercircuitoperationcanbeaffectedbytheliftcylinderbinding,extra
weightonthecuttingunit,and/orbindingoftheliftcomponents.Ensurethat
theseitemsarecheckedbeforeperformingtheliftcylinderinternalleakagetest.
Note:Thereliefvalvefortheliftcircuitisintegratedintothesteeringcontrolvalve.
TestProcedure
1.Parkthemachineonalevelsurface,raisethecuttingunit,engagethe
parkingbrake,andsetthekeyswitchtotheOFFposition.
2.Useajacktosupportthecuttingunitandpreventitfromlowering.This
removestheloadfromtheliftcylindersandrelievestheliftcylinderhydraulic
pressure.
Groundsmaster
®
3200,3300and3310
Page5–47
HydraulicSystem:TestingtheHydraulicSystem
19240SLRevA

Table of Contents

Related product manuals