EasyManua.ls Logo

Toro Groundmaster Series - Hydraulic Flow Diagrams

Toro Groundmaster Series
355 pages
Print Icon
To Next Page IconTo Next Page
To Next Page IconTo Next Page
To Previous Page IconTo Previous Page
To Previous Page IconTo Previous Page
Loading...
HydraulicFlowDiagrams
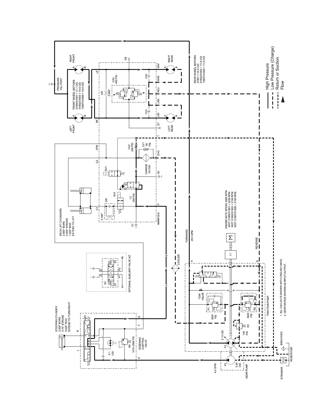
TractionCircuit
g298101
Figure24
TractionCircuitDiagram(Forward)
Groundsmaster
®
3200,3300and3310
Page5–13
HydraulicSystem:HydraulicFlowDiagrams
19240SLRevA

Table of Contents

Related product manuals