EasyManua.ls Logo

Toro Groundmaster Series - Hydraulic Schematic - 3200 4 WD

Toro Groundmaster Series
355 pages
Print Icon
To Next Page IconTo Next Page
To Next Page IconTo Next Page
To Previous Page IconTo Previous Page
To Previous Page IconTo Previous Page
Loading...
PageA–4
19240SLRevA
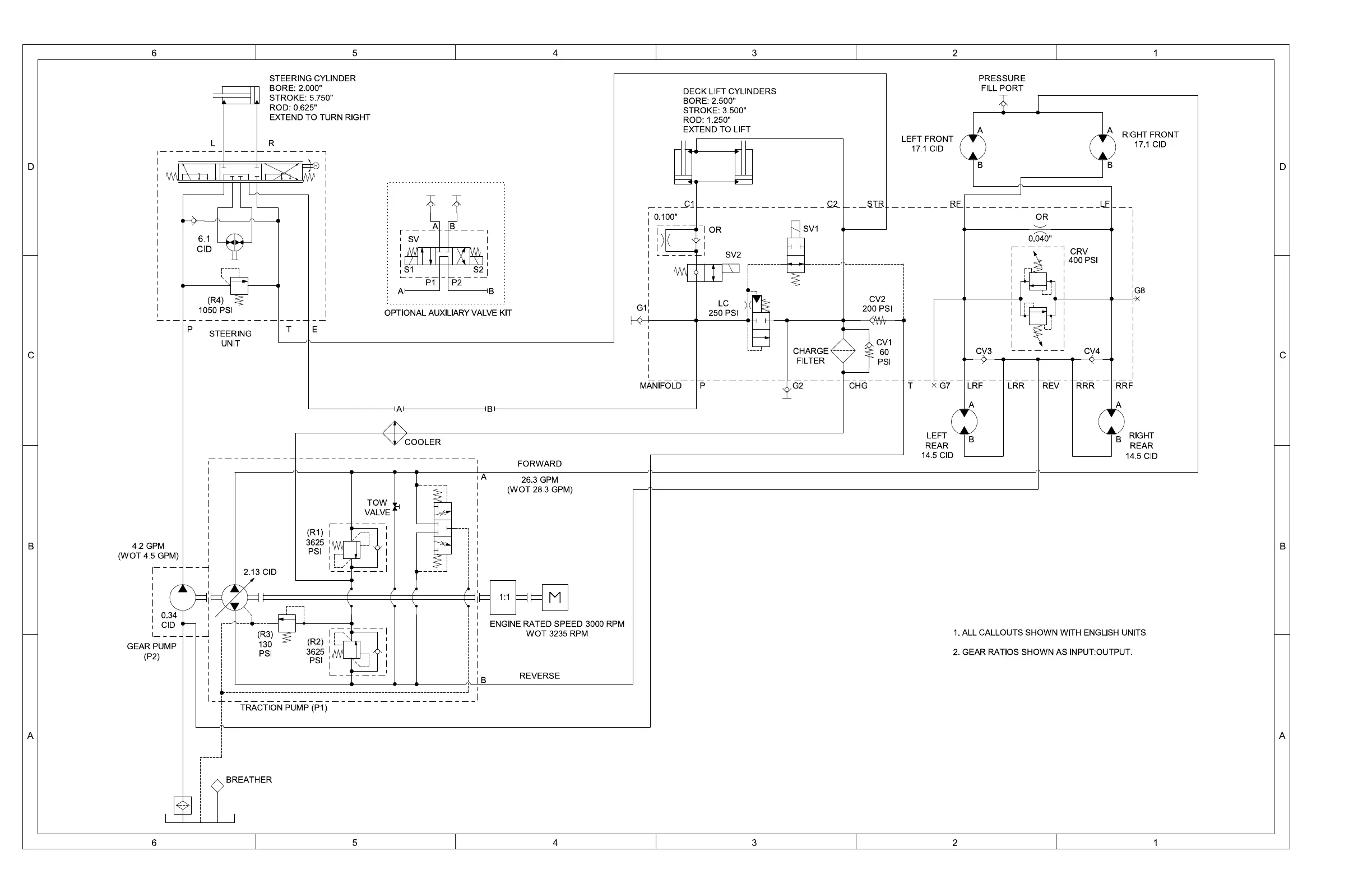
Model31901,Drawing138-4500RevA,Sheet1of1
HydraulicSchematic32004WD
g303916

Table of Contents

Related product manuals