EasyManua.ls Logo

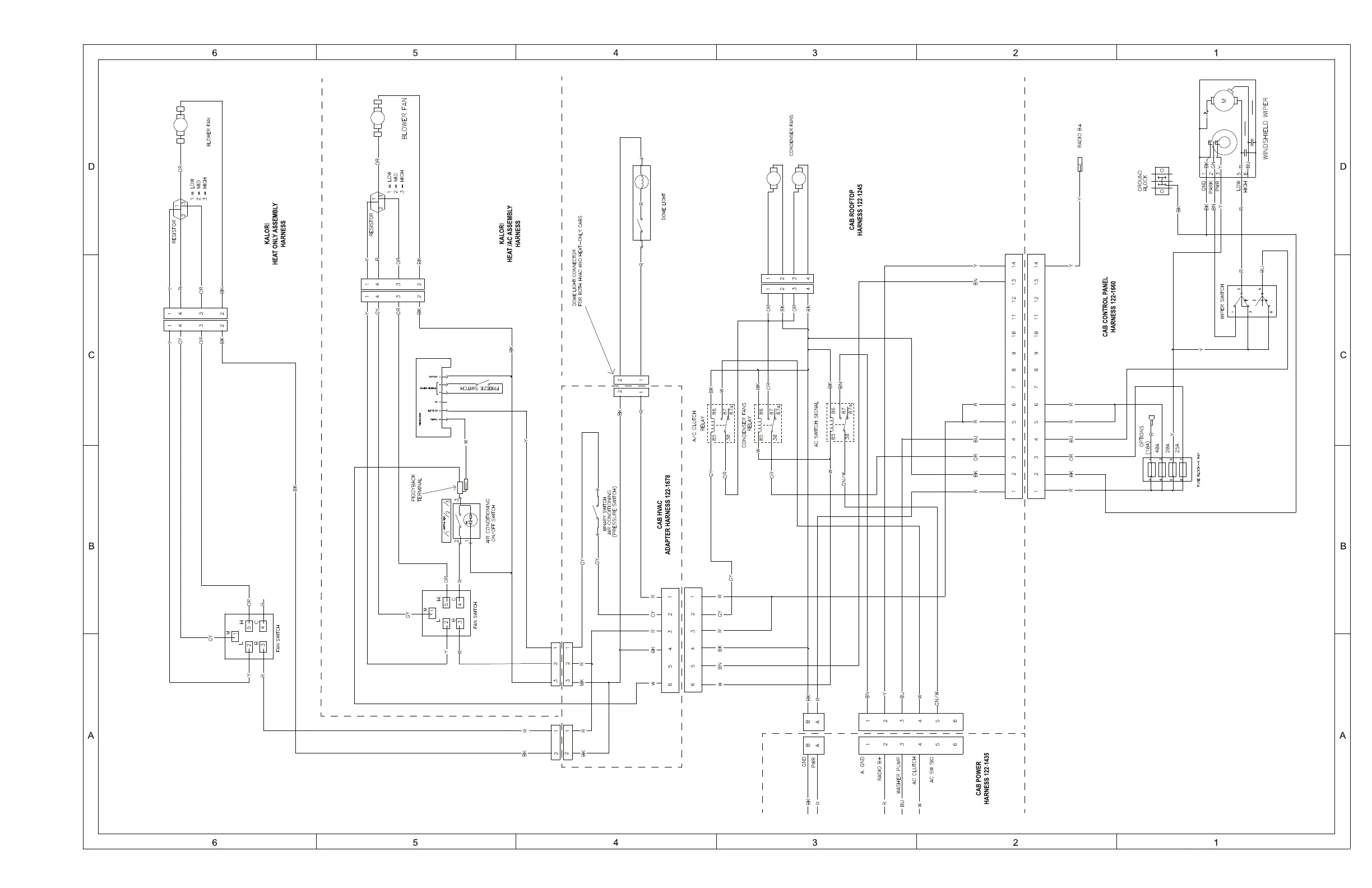
Toro Groundmaster Series - Electrical Schematic-Operator Cab

Toro Groundmaster Series
355 pages
Print Icon
To Next Page IconTo Next Page
To Next Page IconTo Next Page
To Previous Page IconTo Previous Page
To Previous Page IconTo Previous Page
Loading...
Model31903and31909,Drawing122-1437RevA,Sheet1of1
19240SLRevA
PageA–9
ElectricalSchematic-OperatorCab
g306863

Table of Contents

Related product manuals