EasyManua.ls Logo

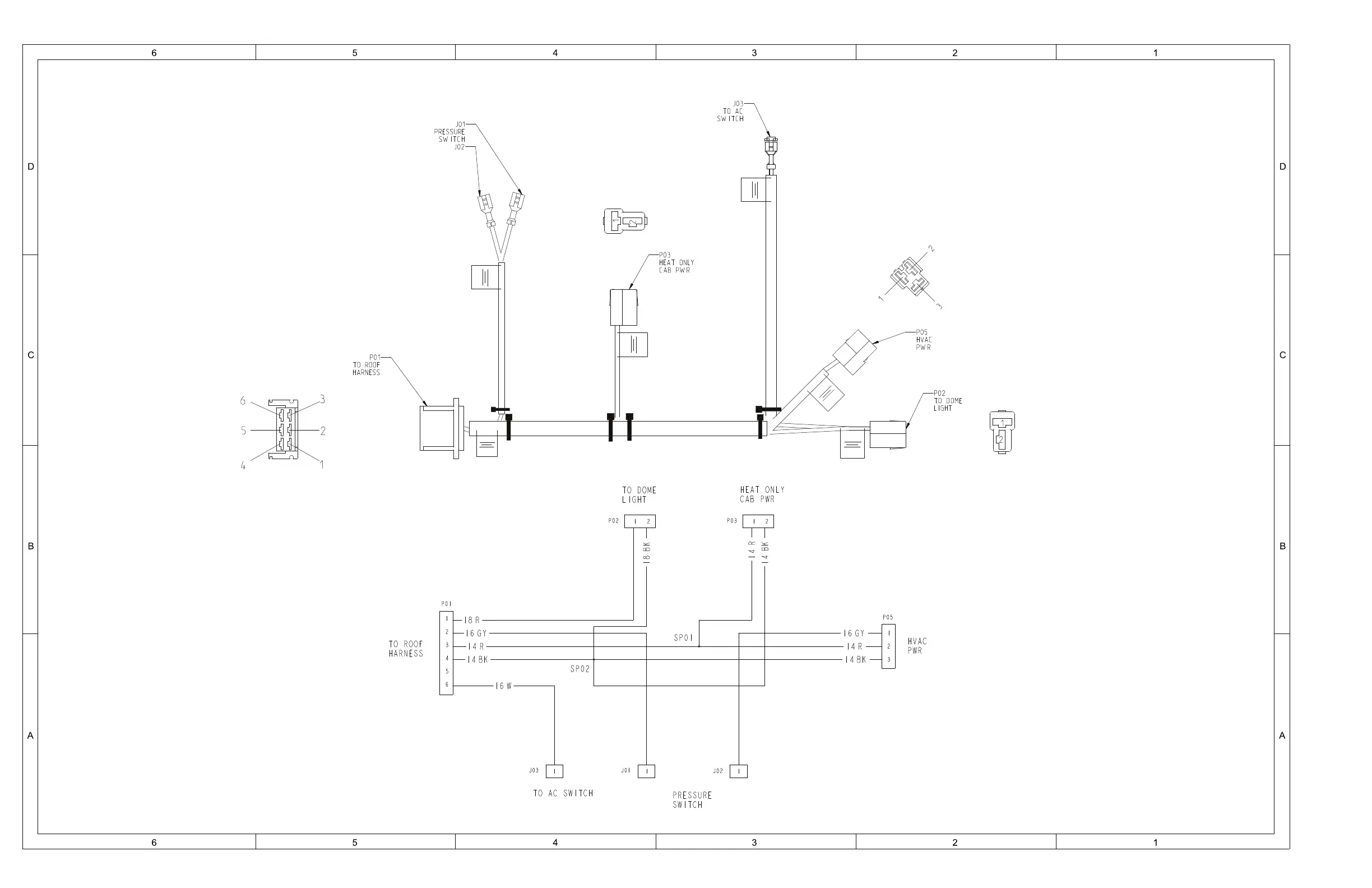
Toro Groundmaster Series - Wire Harness - Cab HVAC Adapter

Toro Groundmaster Series
355 pages
To Next Page IconTo Next Page
To Next Page IconTo Next Page
To Previous Page IconTo Previous Page
To Previous Page IconTo Previous Page
Loading...
PageA–18
19240SLRevA
Model31903and31909,Drawing122-1678RevA,Sheet1of1
WireharnessCabHVACAdapter
g297534

Table of Contents

Related product manuals