EasyManua.ls Logo

Toro Groundmaster Series - Wheel Motors

Toro Groundmaster Series
355 pages
Print Icon
To Next Page IconTo Next Page
To Next Page IconTo Next Page
To Previous Page IconTo Previous Page
To Previous Page IconTo Previous Page
Loading...
WheelMotors
FrontWheelMotors
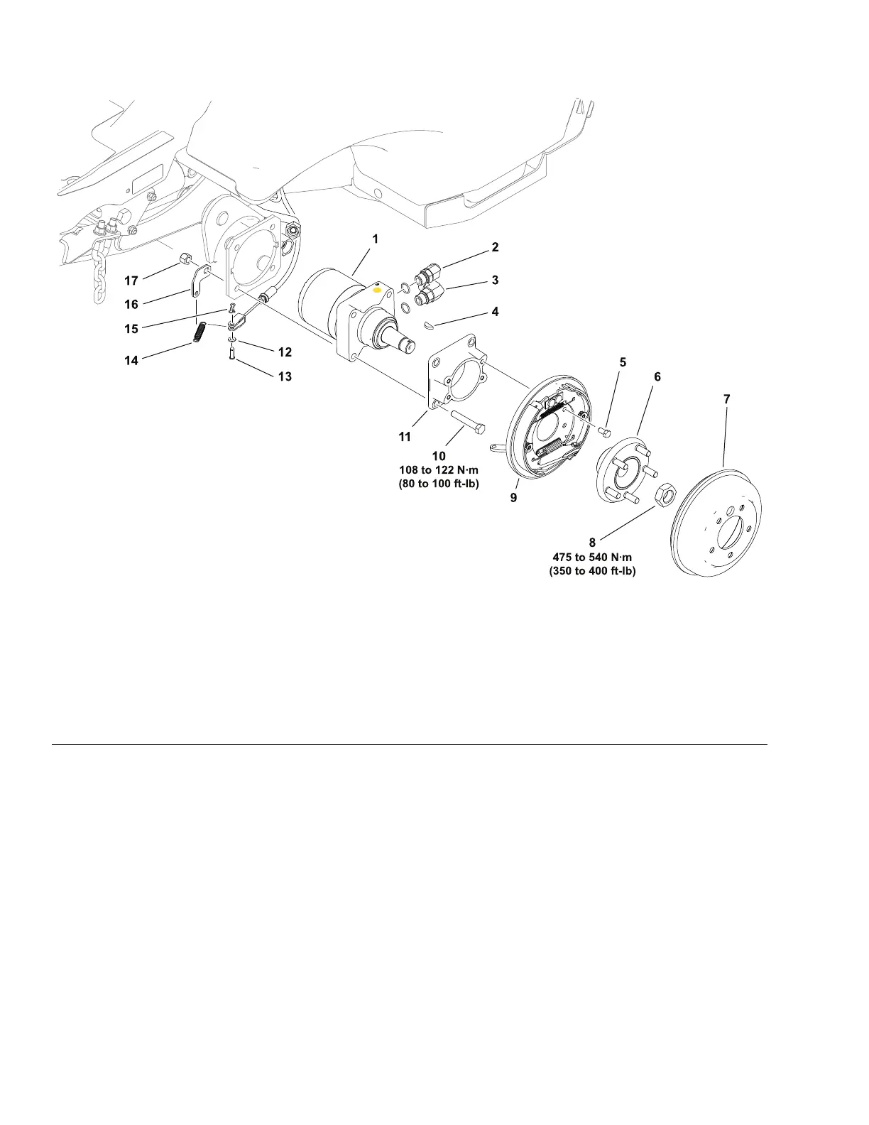
g303210
Figure58
1.Frontwheelmotor7.Brakedrum
13.Clevispin
2.Elbowtting
8.Wheelhubnut14.Returnspring
3.Elbowtting
9.Brakeplateassembly
15.Cotterpin
4.Woodruffkey10.Capscrew(4each)16.Springclip
5.Capscrew(4each)
11.Brakeadapter
17.Locknut(4each)
6.Wheelhub12.Washer
RemovingtheFrontWheelMotors
RefertoFigure58forthisprocedure.
1.Removethefrontwheel;refertoRemovingandInstallingtheWheels(page
7–5).
2.Disengagetheparkingbrakeandremovethebrakereturnspring,cotterpin,
clevispinandwasherthatattachthebrakecabletothebrakeactuatorlever.
3.Removethebrakedrum.
4.Useatorquemultiplierandremovethewheelhubnut.
5.Useawheelhubpullerfora114mm(4.5inch)boltcircleandremovethe
wheelhubandwoodruffkey.
6.Removethebrakeplateassemblyfromthemachine.
7.ReadandadheretotheinformationprovidedinGeneralPrecautionsfor
RemovingandInstallingtheHydraulicSystemComponents(page5–52).
HydraulicSystem:ServiceandRepairs
Page5–82
Groundsmaster
®
3200,3300and3310
19240SLRevA

Table of Contents

Related product manuals