EasyManua.ls Logo

Toro Groundmaster Series - Adjusting the Doors

Toro Groundmaster Series
355 pages
Print Icon
To Next Page IconTo Next Page
To Next Page IconTo Next Page
To Previous Page IconTo Previous Page
To Previous Page IconTo Previous Page
Loading...
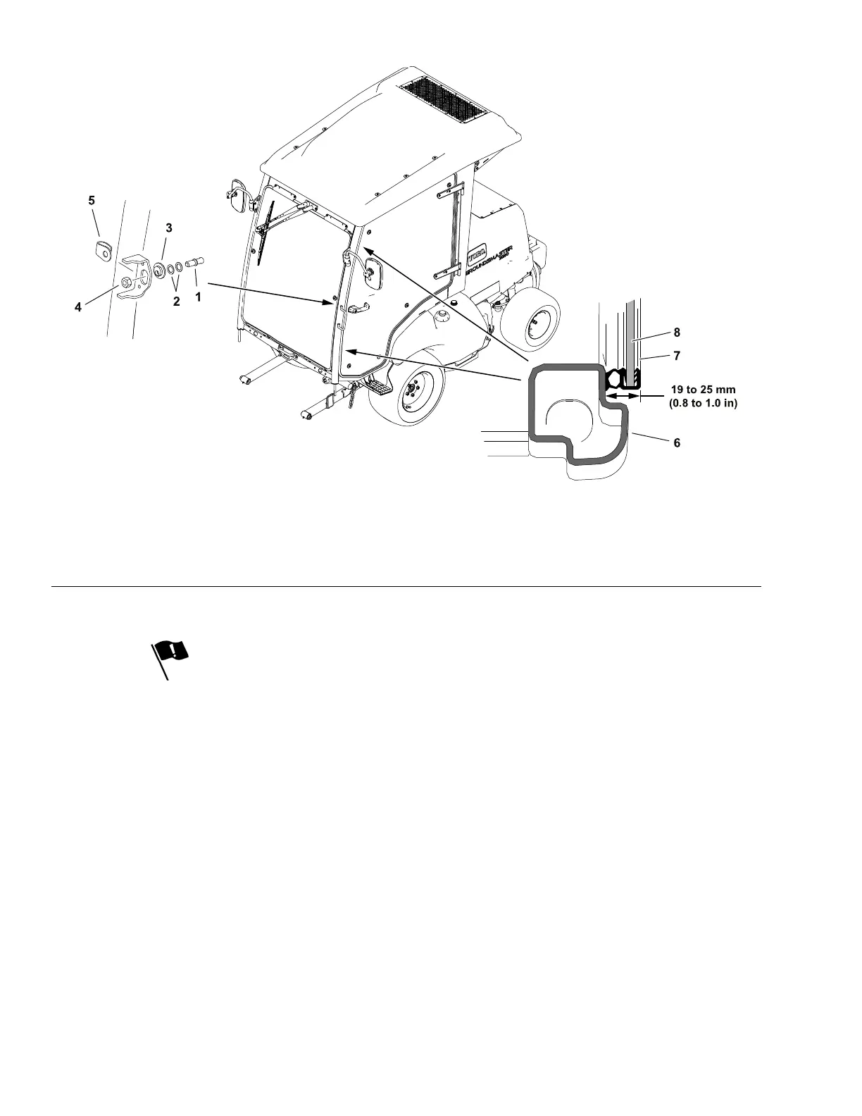
AdjustingtheDoors
g316080
Figure146
1.Strikerstud
4.Locknut7.Doorseal
2.Shim(asrequired)5.Strikerguard
8.Doorpanel
3.Adjuster
6.Frame
1.Useshimsunderthestrikerstudifnecessaryforproperdoorlatch
engagement.
2.Checkthedooradjustmenttoensurethatpropersealingoccursatthe2
pointsindicated.Thedistancebetweenthesealingsurfaceoftheframe
andtheouteredgeofthedoortrimwhenthedoorisfullylatchedshouldbe
from19to25mm(0.8to1.0inch).
3.Loosenthestrikerstudlocknuttomovethestrikerstudandadjustthedoor
t.Disassemblethestrikerstudandrotatetheadjustertoincreasestud
movementifnecessary.
OperatorCab:Adjustments
Page9–8
Groundsmaster
®
3200,3300and3310
19240SLRevA

Table of Contents

Related product manuals