EasyManua.ls Logo

Toro Groundmaster Series - Hydraulic Schematic - 3200 2 WD

Toro Groundmaster Series
355 pages
Print Icon
To Next Page IconTo Next Page
To Next Page IconTo Next Page
To Previous Page IconTo Previous Page
To Previous Page IconTo Previous Page
Loading...
Model31900,Drawing133-6540RevA,Sheet1of1
19240SLRevA
PageA–3
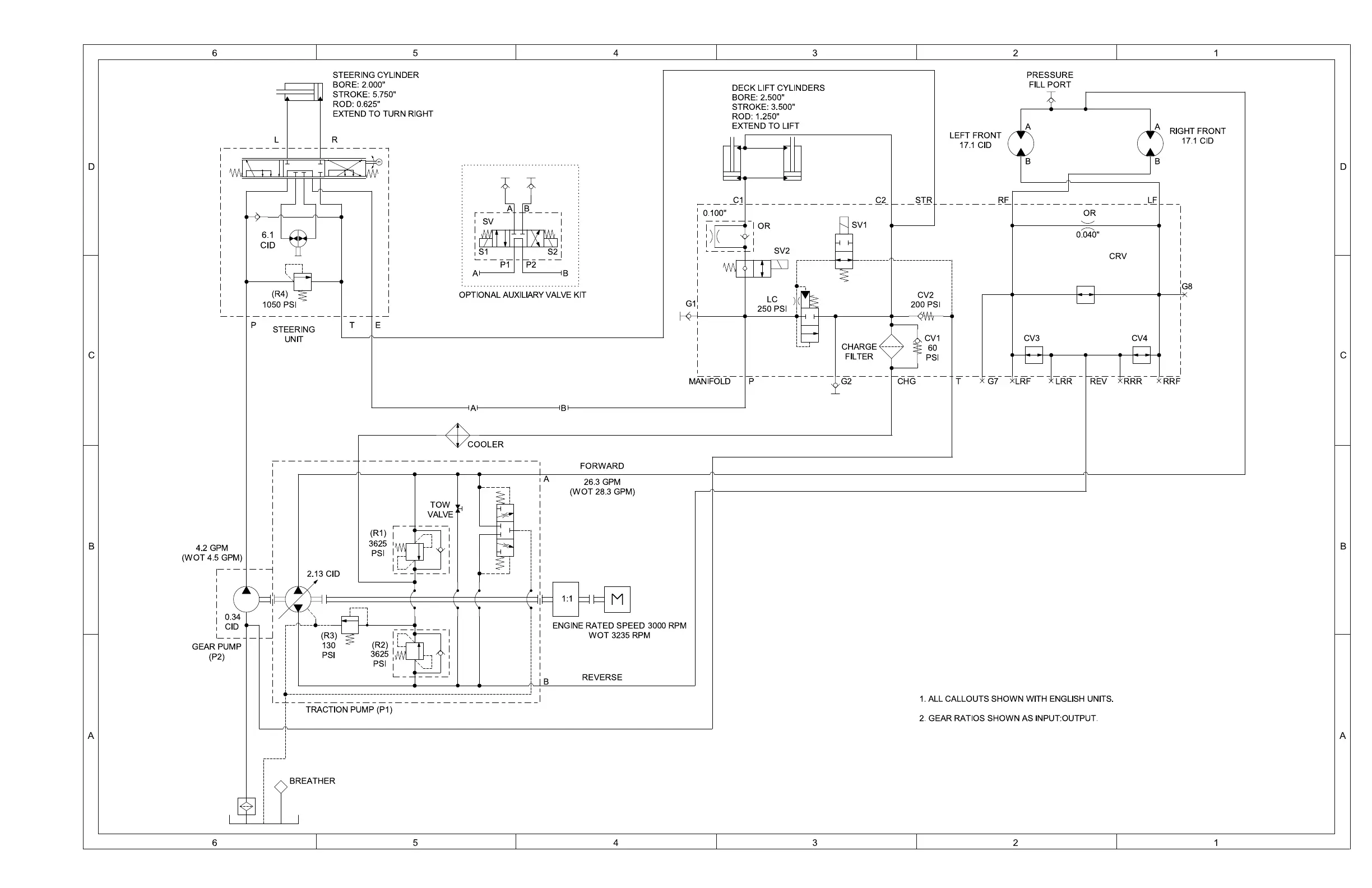
HydraulicSchematic32002WD
g296996

Table of Contents

Related product manuals