EasyManua.ls Logo

Toro Groundmaster Series - Hydraulic Schematic - 3300;3310

Toro Groundmaster Series
355 pages
Print Icon
To Next Page IconTo Next Page
To Next Page IconTo Next Page
To Previous Page IconTo Previous Page
To Previous Page IconTo Previous Page
Loading...
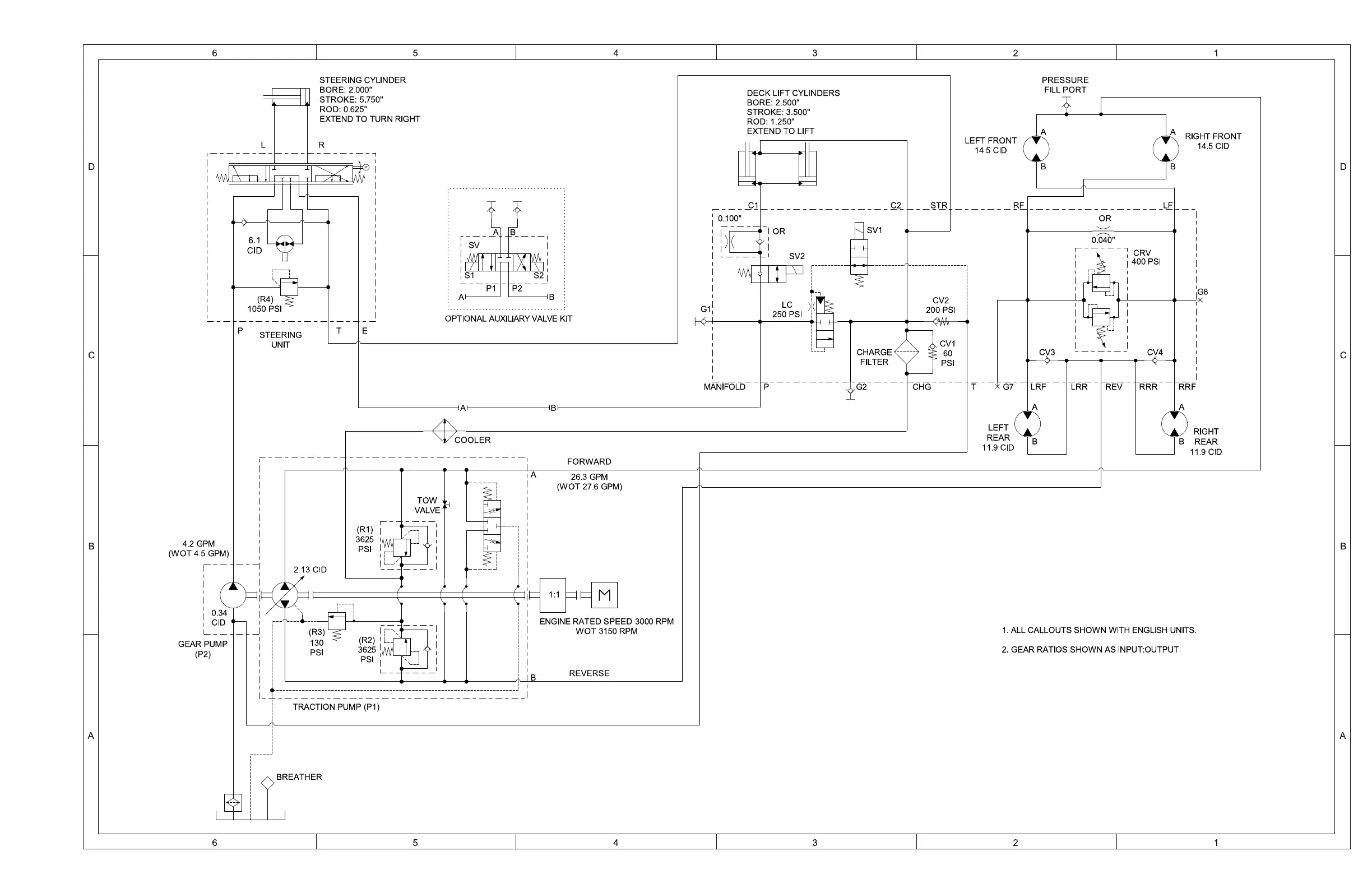
Model31902,31903,31907and31909,Drawing133-6520RevA,Sheet1of1
19240SLRevA
PageA–5
HydraulicSchematic3300/3310
g296995

Table of Contents

Related product manuals