EasyManua.ls Logo

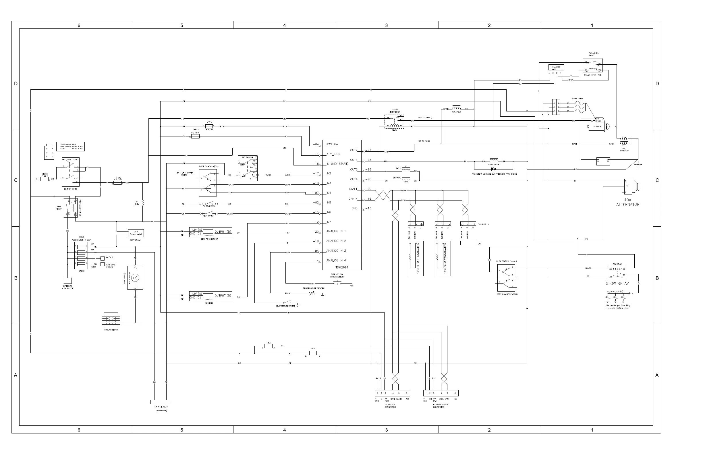
Toro Groundmaster Series - Electrical Schematic - 3200;3300;3310

Toro Groundmaster Series
355 pages
Print Icon
To Next Page IconTo Next Page
To Next Page IconTo Next Page
To Previous Page IconTo Previous Page
To Previous Page IconTo Previous Page
Loading...
PageA–6
19240SLRevA
Model31900,31901,31307and31309,Drawing122-1226RevA,Sheet1of1
ElectricalSchematic3200/3300/3310
g296993

Table of Contents

Related product manuals