EasyManua.ls Logo

Toro Groundmaster Series - Wire Harness - Cab Control Panel

Toro Groundmaster Series
355 pages
Print Icon
To Next Page IconTo Next Page
To Next Page IconTo Next Page
To Previous Page IconTo Previous Page
To Previous Page IconTo Previous Page
Loading...
Model31903and31909,Drawing122-1660RevA,Sheet1of1
19240SLRevA
PageA–17
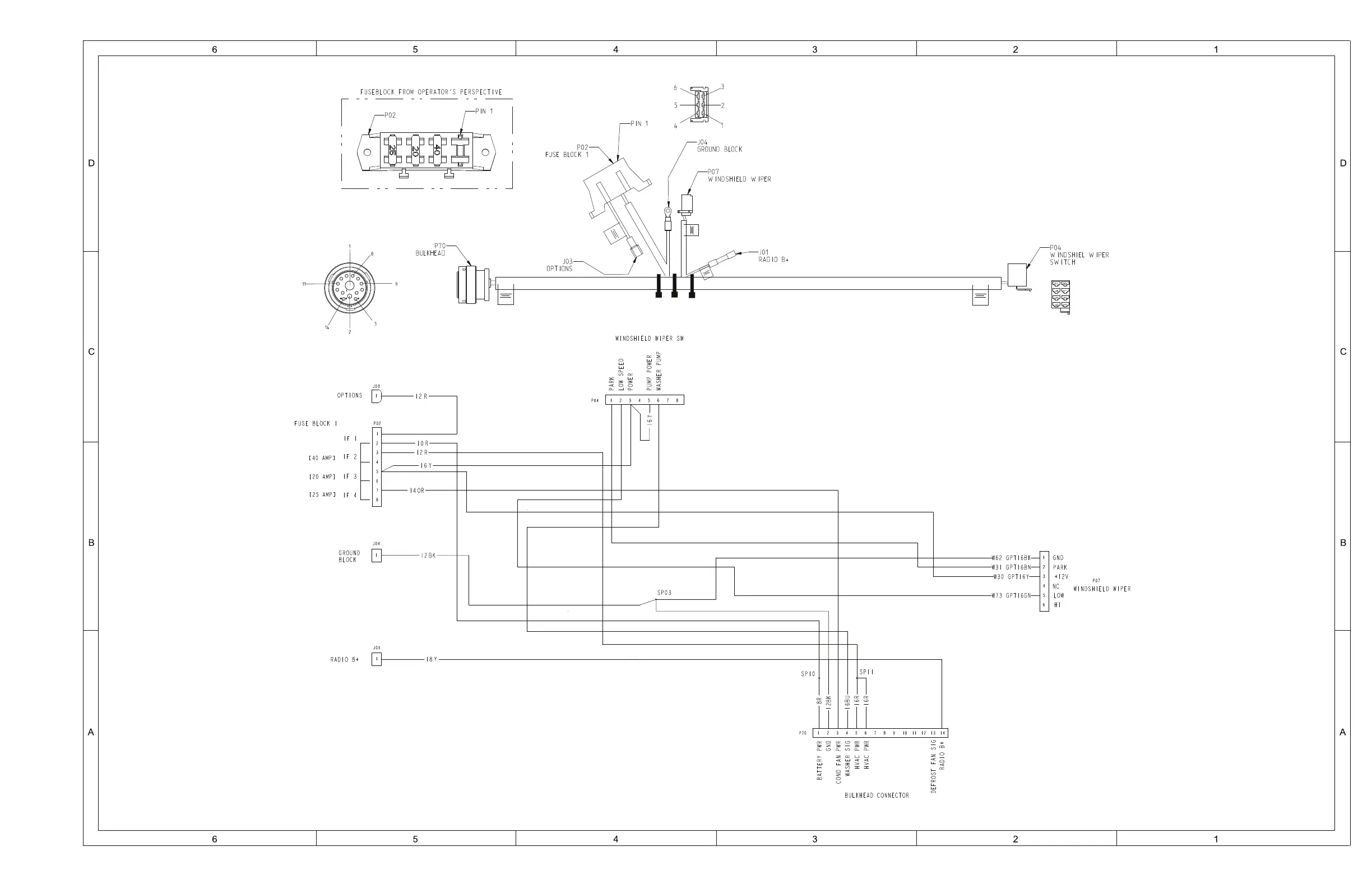
WireHarnessCabControlPanel
g297533

Table of Contents

Related product manuals