EasyManua.ls Logo

Toro Groundmaster Series - Page 134

Toro Groundmaster Series
355 pages
Print Icon
To Next Page IconTo Next Page
To Next Page IconTo Next Page
To Previous Page IconTo Previous Page
To Previous Page IconTo Previous Page
Loading...
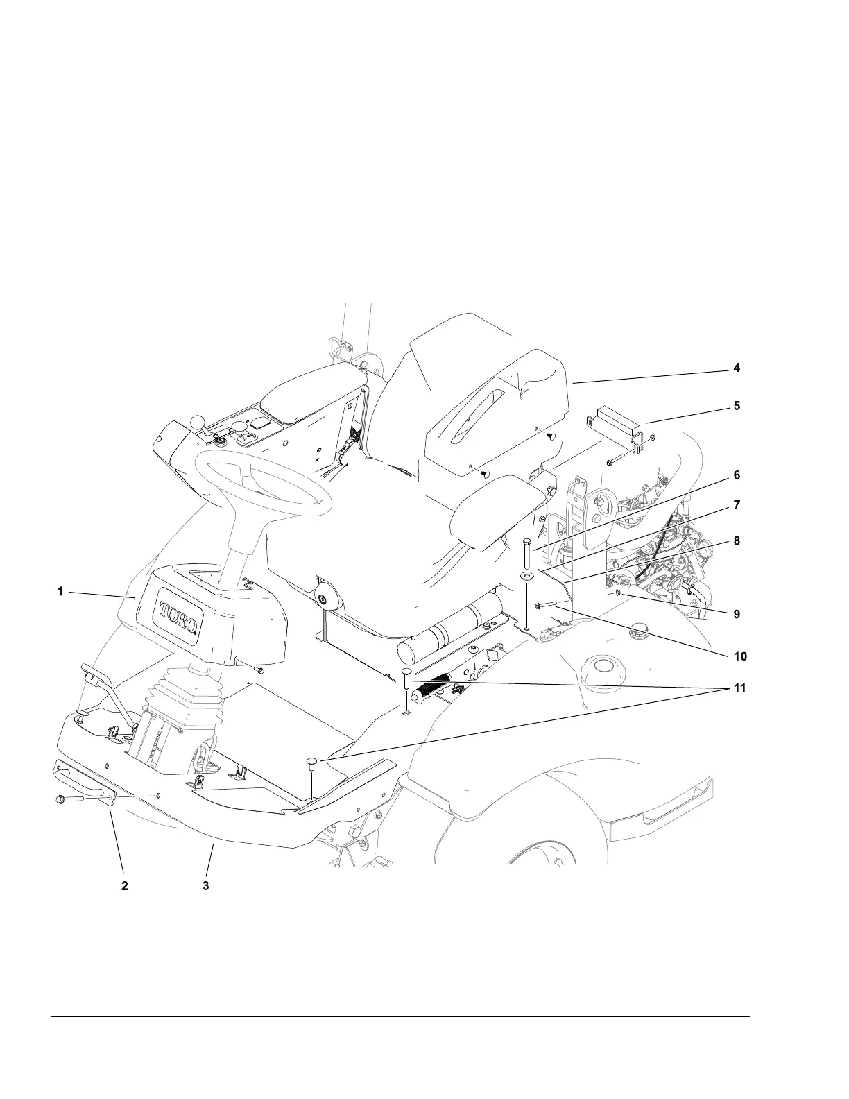
TestProcedure(continued)
3.Raisethefrontoftheoperatorplatformtoaccesstheliftcylinderhydraulic
ttings:refertoFigure42.
A.Removethesteeringcoverfastenersandraisethesteeringcover.
B.Removethefronttie-downbracket.
C.Raisethehoodandremovethehoodsupportbracket(item4).
D.Removetheparkingbrakecover.
E.Removethe2fasteners(item10)securingtherewalltotheframe.
F.Removethe6fasteners(items6and11)securingtheoperatorplatform
assemblytotheframe.
G.Raiseandsupportthefrontoftheoperatorplatformassembly.
g301265
Figure42
1.Steeringcover
5.Hoodsupportbracket
9.Flangenut(2each)
2.Fronttie-downbracket
6.Capscrew(2each)10.Capscrew(2each)
3.Operatorplatformassembly7.Flatwasher(2each)11.Carriagebolt(4each)
4.Parkingbrakecover8.Firewall
HydraulicSystem:TestingtheHydraulicSystem
Page5–48
Groundsmaster
®
3200,3300and3310
19240SLRevA

Table of Contents

Related product manuals