EasyManua.ls Logo

Xerox 7750DXF - Phaser Color Laser Printer - Page 454

Xerox 7750DXF - Phaser Color Laser Printer
505 pages
Print Icon
To Next Page IconTo Next Page
To Next Page IconTo Next Page
To Previous Page IconTo Previous Page
To Previous Page IconTo Previous Page
Loading...
11-38 Phaser 7750 Printer Service Manual
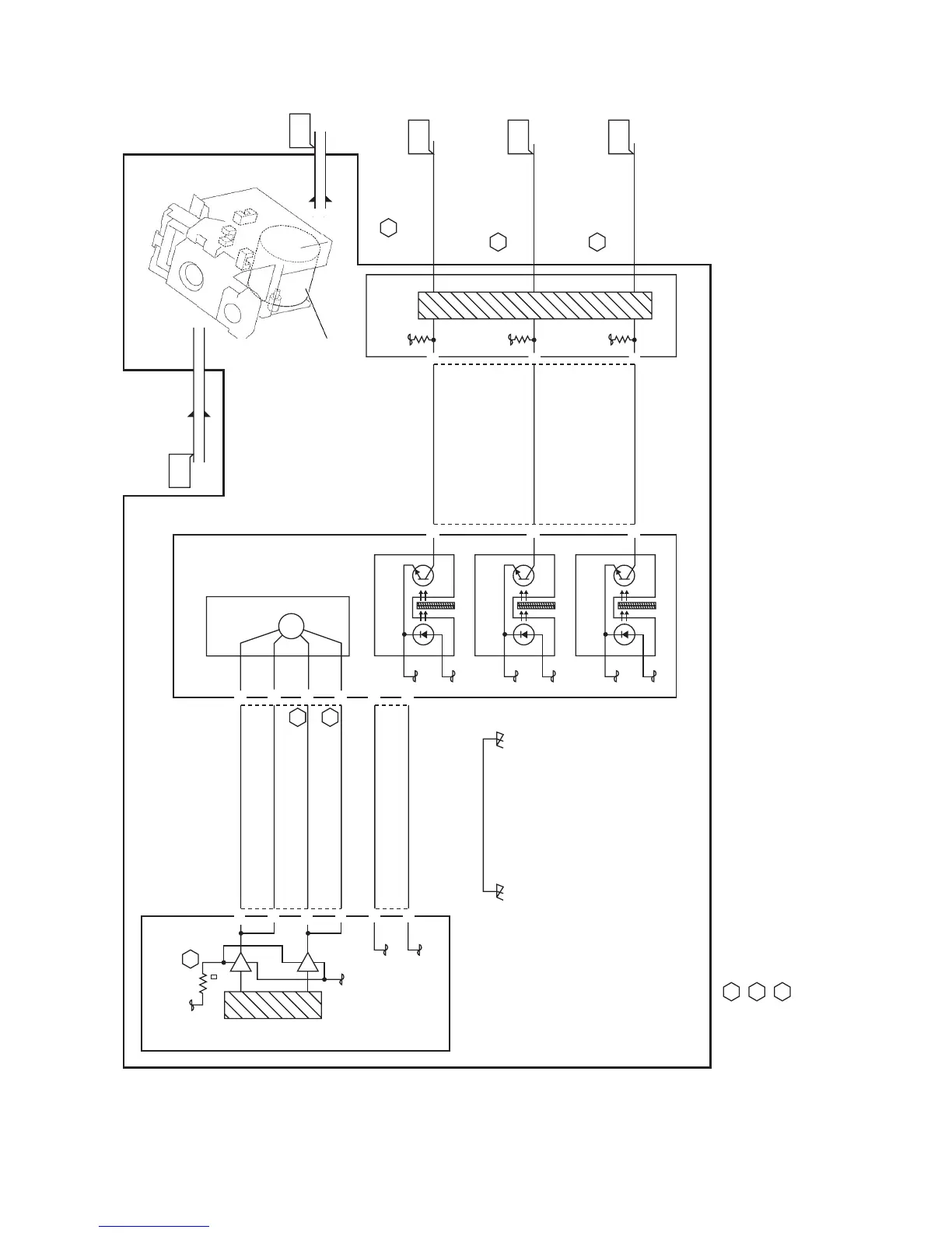
Staple Control
12.6
STAPLE HEAD HOME
SENSOR
DC COM
+5VDC
STAPLE READY
SENSOR
DC COM
+5VDC
LOW STAPLE
SENSOR
DC COM
+5VDC
2
3
4
12.11B
12.11B
12.11B
12.9
12.8 STAPLE CONTROL
FINISHER PWB
PL17.13
INTLK ON
+24VDC
RT2
t 9
2
7
8
9
10
1
5
DC COM
DC COM
DC COM
+5VDC
+5VDC
J847
ORN
ORN
BLU
BLU
YEL
YEL
J852
J886
DC330 [12-020] (CLOSE)
STAPLE MOTOR CLOSE (H) +24VDC
OPEN (L) +24VDC
DC330 [12-020] (CLOSE)
STAPLE MOTOR CLOSE (H) +24VDC
OPEN (L) +24VDC
DC330 [12-021] (OPEN)
STAPLE MOTOR CLOSE (H) +24VDC
OPEN (L) +24VDC
DC330 [12-021] (OPEN)
STAPLE MOTOR CLOSE (H) +24VDC
OPEN (L) +24VDC
1
3
3
3
1
GND
GRN
J887
STAPLE HEAD ASSY
PL17.9
STAPLE
MOTOR
MOT
1
2
3
4
5
1
COMPILED SET
STAPLE
MOTOR
DC330 [12-207]
STAPLE HEAD HOME SENSOR
HOME SENSED (L) +5VDC
J886
J852
YEL
YEL
YEL
DC330 [12-209]
STAPLE READY SENSOR
READY (L) +5VDC
DC330 [12-208]
LOW STAPLE
SENSED (H) +5VDC
2
3
4
+5VDC
+5VDC
+5VDC
FINISHER PWB
PL17.13
STAPLED
SET
STAPLE HEAD HOME
SENSOR
SENSED SIGNAL
STAPLE READY SENSOR
SENSED SIGNAL
LOW STAPLE SENSOR
SENSED SIGNAL
7750-334
DC330 [12-021] doesn’t operate with Staple Head Home Sensor on.
When an overcurrent flows, the thermistor has the internal resistance increase to protect the circuit.
Virtual Line
NOTES:
1
2
3

Table of Contents

Related product manuals