EasyManua.ls Logo

Xerox WorkCentre 5230

Xerox WorkCentre 5230
1457 pages
To Next Page IconTo Next Page
To Next Page IconTo Next Page
To Previous Page IconTo Previous Page
To Previous Page IconTo Previous Page
Loading...
February, 2008
7-53
WorkCentre 5225, 5230
IOT Wirenets
Wiring Data
Launch Version
+24VDC Wirenets
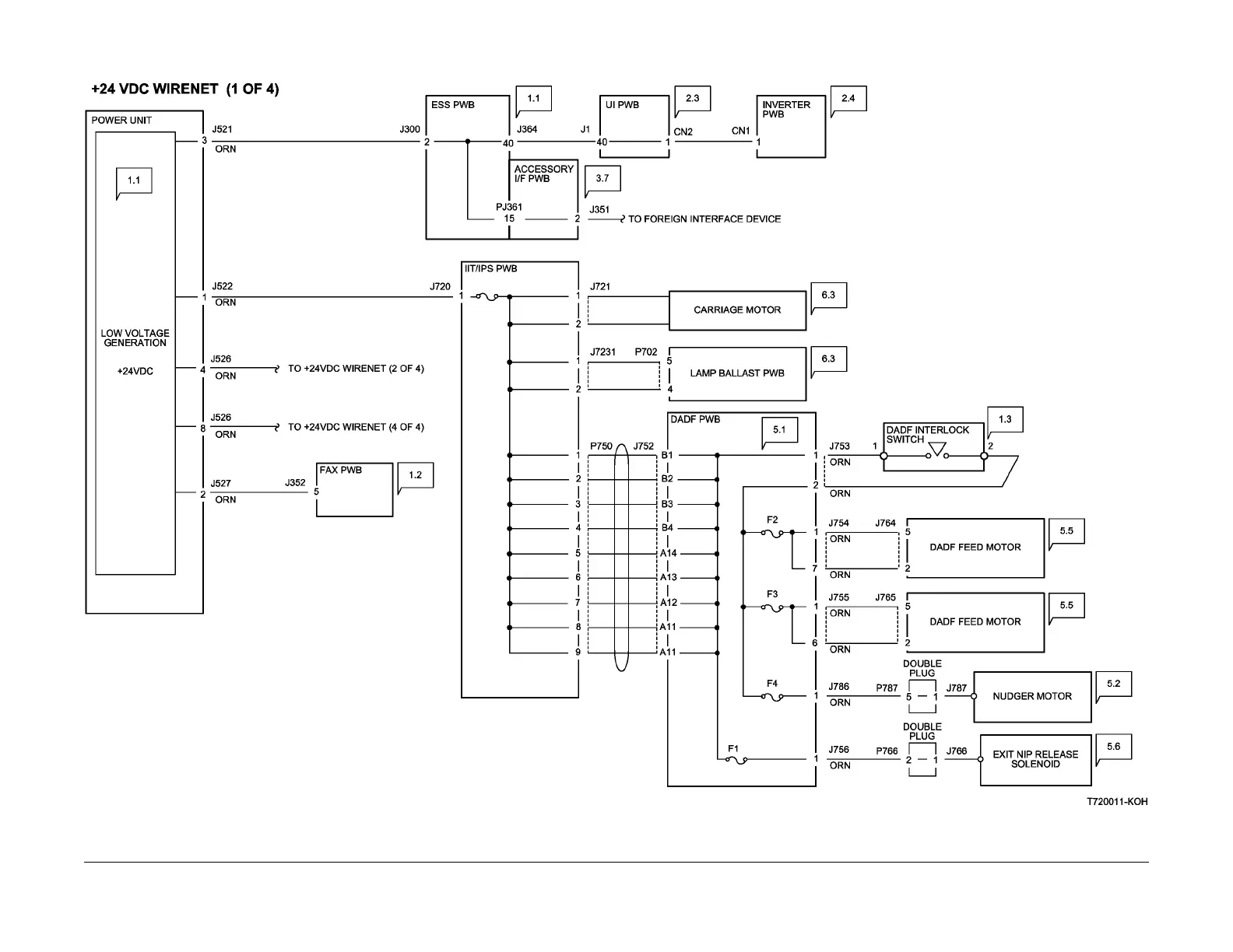
Figure 11 +24 VDC Wirenet (1 of 4)

Table of Contents

Other manuals for Xerox WorkCentre 5230

Related product manuals