EasyManua.ls Logo

Xerox WorkCentre 5230

Xerox WorkCentre 5230
1457 pages
To Next Page IconTo Next Page
To Next Page IconTo Next Page
To Previous Page IconTo Previous Page
To Previous Page IconTo Previous Page
Loading...
February, 2008
7-153
WorkCentre 5225, 5230
Chain 12 Finishing
Wiring Data
Launch Version
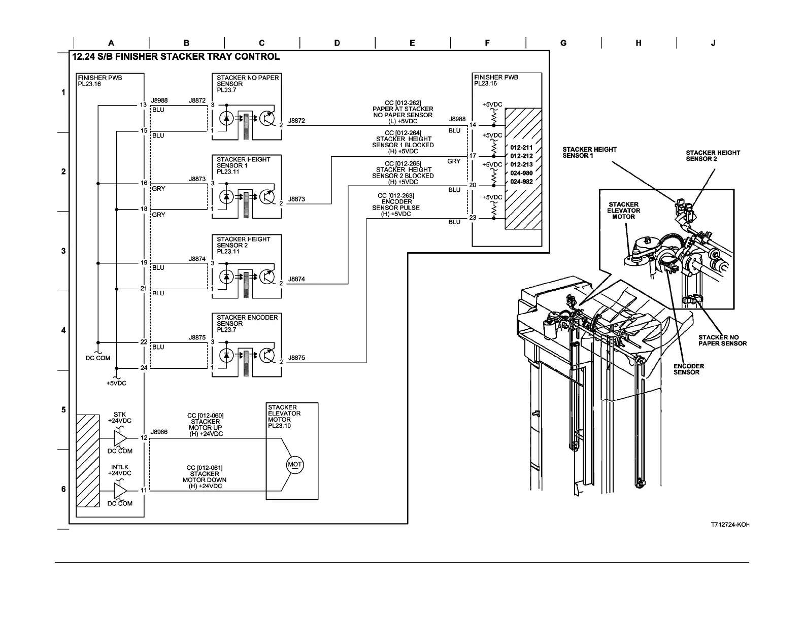
Figure 23 BSD 12.24 S/B Finisher Stacker Control

Table of Contents

Other manuals for Xerox WorkCentre 5230

Related product manuals