EasyManua.ls Logo

TELEDYNE API T703U - Principles of Operation; Pneumatic Operation; Gas Flow Control

Default Icon
273 pages
Print Icon
To Next Page IconTo Next Page
To Next Page IconTo Next Page
To Previous Page IconTo Previous Page
To Previous Page IconTo Previous Page
Loading...
181
9. PRINCIPLES OF OPERATION
9.1. PNEUMATIC OPERATION
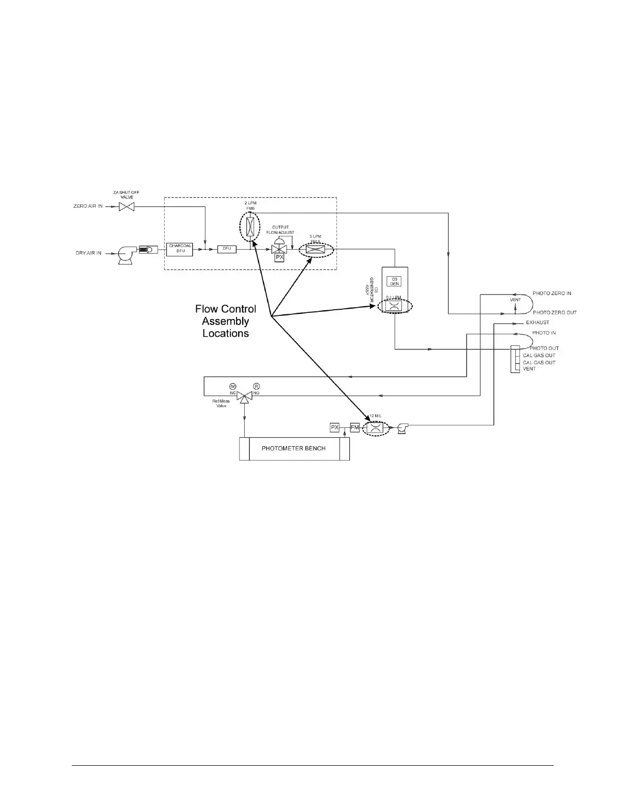
GAS FLOW CONTROL 9.1.1.
Gas flow rates are set by various flow control assemblies in the gas stream(s),
locations indicated in Figure 9-1Figure 9-2.
Figure 9-1. Location of Gas Flow Control Assemblies - T703
07223D DCN7107

Table of Contents