EasyManua.ls Logo

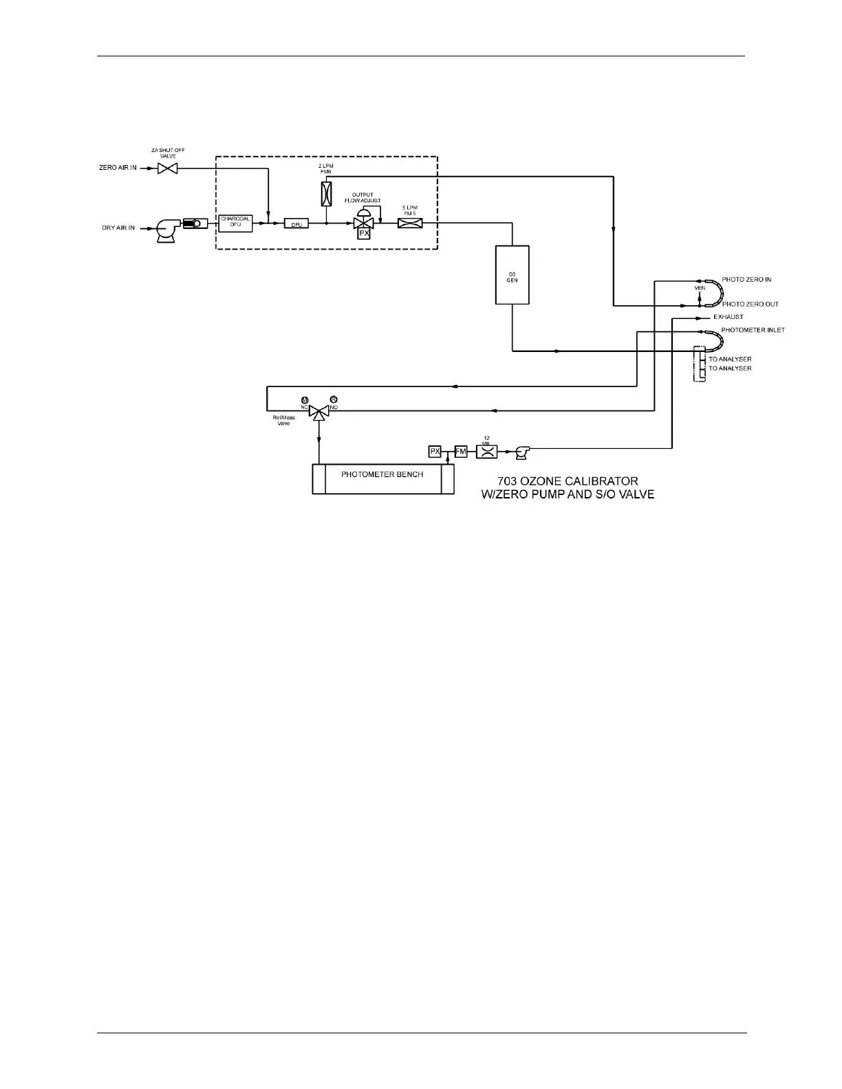
TELEDYNE API T703U - Figure 3-6: T703 Pneumatic Diagram

Default Icon
273 pages
Print Icon
To Next Page IconTo Next Page
To Next Page IconTo Next Page
To Previous Page IconTo Previous Page
To Previous Page IconTo Previous Page
Loading...
Teledyne API T703/T703U Calibrator Operation Manual Getting Started
25
Figure 3-6: T703 Pneumatic Diagram
07223D DCN7107

Table of Contents