EasyManua.ls Logo

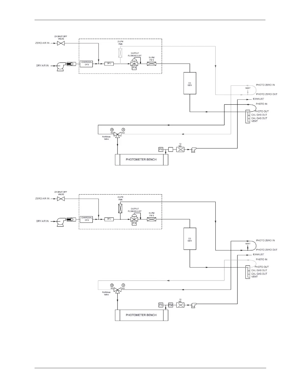
TELEDYNE API T703U - Figure 9-18: T703 O Photometer Gas Flow - Measure Cycle; Figure 9-19: T703 O Photometer Gas Flow - Reference Cycle

Default Icon
273 pages
Print Icon
To Next Page IconTo Next Page
To Next Page IconTo Next Page
To Previous Page IconTo Previous Page
To Previous Page IconTo Previous Page
Loading...
Teledyne API T703/T703U Calibrator Operation Manual Principles of Operation
203
Figure 9-18: T703 O
3
Photometer Gas Flow Measure Cycle
Figure 9-19: T703 O
3
Photometer Gas Flow Reference Cycle
07223D DCN7107

Table of Contents