EasyManua.ls Logo

YASKAWA SGDV SERVOPACK - Connection to Mitsubishis AD72 Positioning Module; (SERVOPACK in Speed Control)

YASKAWA SGDV SERVOPACK
398 pages
Print Icon
To Next Page IconTo Next Page
To Next Page IconTo Next Page
To Previous Page IconTo Previous Page
To Previous Page IconTo Previous Page
Loading...
www.dadehpardazan.ir 88594014-15
10 Appendix
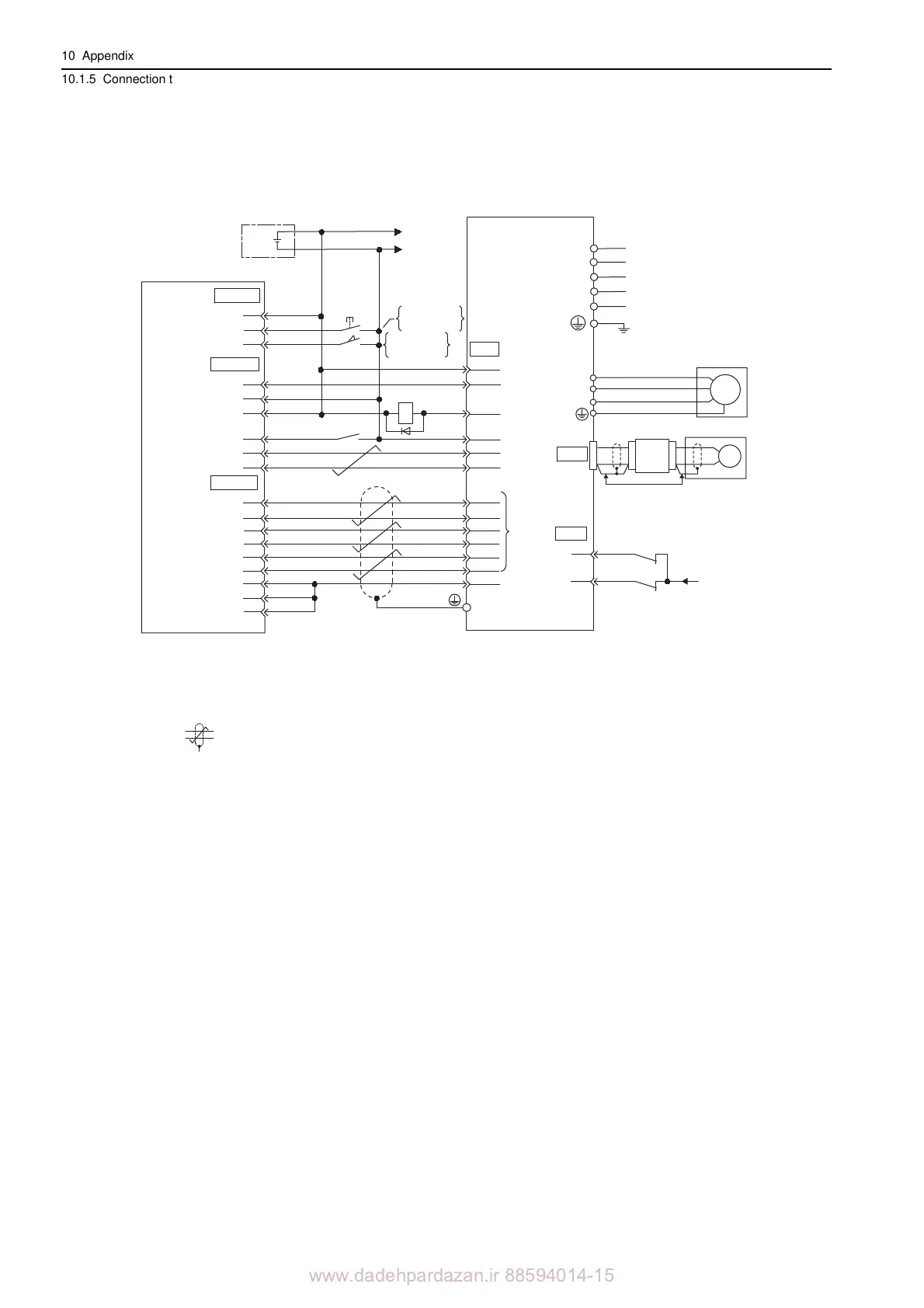
10.1.5 Connection to MITSUBISHI’s AD72 Positioning Module (SERVOPACK in Speed Control)
10-6
10.1.5 Connection to MITSUBISHI’s AD72 Positioning Module
(SERVOPACK in Speed Control)
 The ALM signal is output for about five seconds after the control power is turned ON. Take this into consideration
when designing the power ON sequence. Also, use the ALM signal to actuate the alarm detection relay 1Ry to stop
the main circuit power supply to the SERVOPACK.
 Pin numbers are the same both for X axis
and Y axis.
 Connect the shielded wire to the connector shell.
 represents twisted-pair wires.
 This connection is to adjust the p
hase of the encoder pulse output.
Note 1. Only signals applicable to
Yaskawa’s SGDV SERVOPACK and Mitsubishi’s AD72 Positioning Unit are shown
in the diagram.
2. The main circuit power supply is a three-phase 200 VAC SERVOPACK input in the example.
3. Incorrect wiring may damage the Positioning Module or SERVOPACK. Wire all connections carefully.
4. Open the signal lines not to be used.
5. The above connection diagram shows the connections for only one axis. When using other axes, make connec-
tions to the SERVOPACK in the same way.
6. Short-circuit the normally closed (NC) input terminals that are not used at the I/O connector section of the posi-
tioning module.
7. Make the settings so that the servo can be turned ON/OFF by the Servo ON (/S-ON) signal.
8. The SERVOPACK incorporates safety functions to protect people from the hazardous operation of the movable
parts of the machines, reduce the risk, and ensure the safety of the machine in operation. Necessary circuits and
settings are required in CN8 to use these functions. If these functions are not used, use the SERVOPACK with the
enclosed safety jumper connected to CN8. For details, refer to 5.11 Safety Function.
43
42
1Ry
+
-
+24 V
0
24
V
+24 V
CONT
SERVO
CN1
ENCO
CN1
STOP
DOG
SV -ON
READY
PULSE A
PULSE C
PULSE B
0 V
0 V
0 V
2
1
3
2
1
3
2
4
6
5
4
7
5
8
11
10
3
9
6
1
+24 V-IN
P-OT
N-OT
ALM+
ALM -
V -REF (T -REF)
SG
PAO
SG
/PCO
PCO
/PBO
PBO
/PAO
47
32
31
40
1
20
19
34
33
36
35
5
(9)
6
(10)
/S-ON
1Ry
4
5
0
24
V
3
L1C
L3
L2
L1
L2C
I/O power supply
Positioning Module
AD72 manufactured
by Mitsubishi Electric
Corporation
SGDV SERVOPACK
Speed reference
ON when
positioning is
cancelled
ON when
proximity is
detected
Connector
shell
Control
power supply
Main circuit
power supply
CN2
W
V
U
M
Enc
Servomotor
Linear scale
Properly treat the end of
shielded wires.
Serial
converter
unit
47

Table of Contents

Related product manuals