EasyManua.ls Logo

Acterna SDA-5000 - Build Channel Plan (Configure; Channel Plan)

Acterna SDA-5000
411 pages
Print Icon
To Next Page IconTo Next Page
To Next Page IconTo Next Page
To Previous Page IconTo Previous Page
To Previous Page IconTo Previous Page
Loading...
Application Notes: Forward Sweep and Balance
308
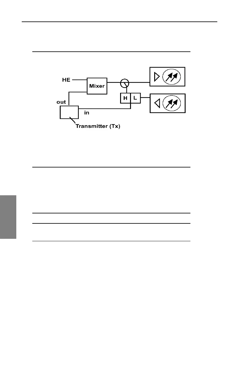
A
Tx=Stealth Headend Transmitter
Rx=Multiple User Reverse Receiver
Build Channel Plan (Configure; Channel Plan)
If a channel plan has already been made, choose it from the list under
"Select Channel Plan".
NOTE: The newest Stealth field meter replaced many of
the menus with icons. The "Setup" button has been
replaced with a "Configure" mode, which can be accessed
through the "Navigator" mode, or by pressing "func" (green
key) and the number 3 key. Channel plans and files names
are limited to 15 characters.
TIP: Its faster to build a channel plan using StealthWare.
Version 6.0 is the latest.
1. Video Signal Type
NTSC for North America, PAL for Europe, SECAM for France, the
Middle East, and most of Eastern Europe.
2. Build Channel Plan
The forward channel plan should be set up on the Tx or StealthWare.
a. Enter Plan Name
b. Type of Plan (NCTA is common in North America, but could be HRC
or IRC)
c. Stop Frequency (be sure to press "enter" then "ok")

Table of Contents

Other manuals for Acterna SDA-5000

Related product manuals