EasyManua.ls Logo

GE D90 Plus - Page 339

GE D90 Plus
688 pages
Print Icon
To Next Page IconTo Next Page
To Next Page IconTo Next Page
To Previous Page IconTo Previous Page
To Previous Page IconTo Previous Page
Loading...
CHAPTER 7: PROTECTION CONTROL ELEMENTS
D90
PLUS
LINE DISTANCE PROTECTION SYSTEM – INSTRUCTION MANUAL 329
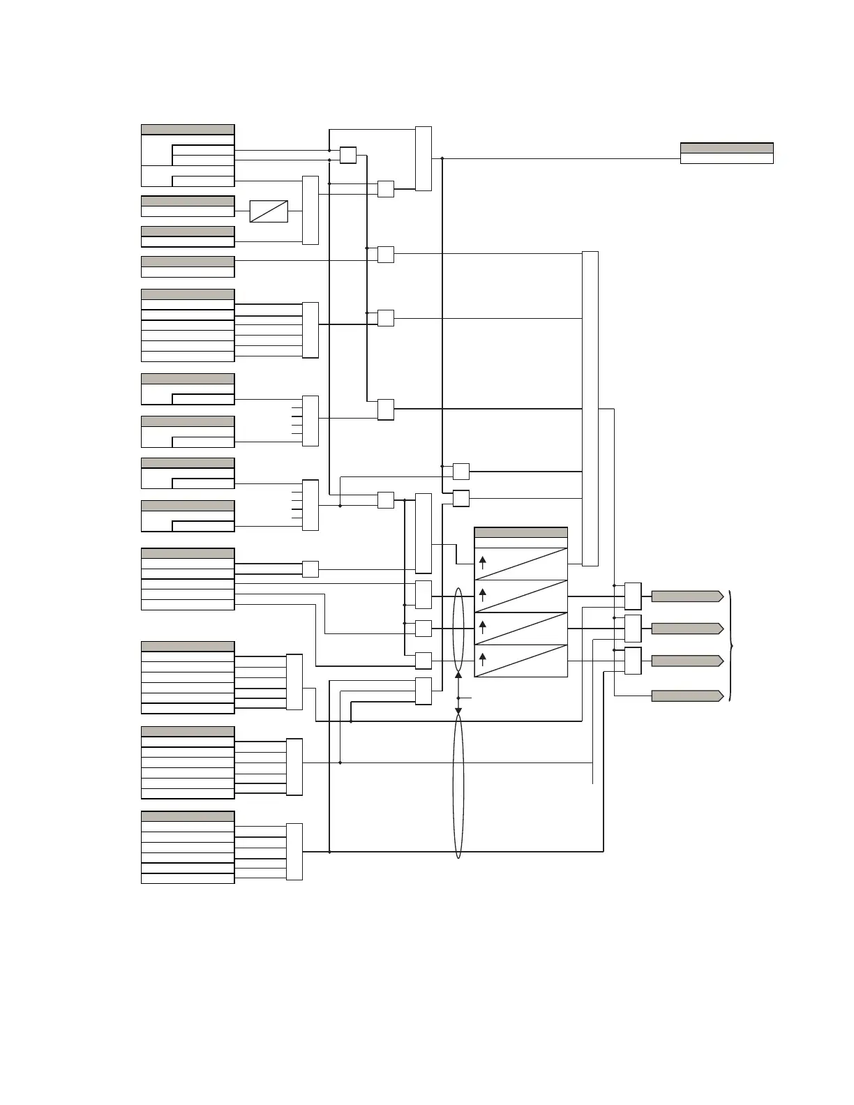
Figure 268: Trip output logic, sheet 1 of 2
OR
OR
AND
OR
OR
OR
Only 1 of 3 can
be asserted
{
AND
AND
AND
AND
AND
OR
OR
OR
AND
AND
Trip Pilot Priority
0
0
0
0
OR
OR
3P
OR
OR
AND
AND
AND
SETTINGS
= 3 Pole Only
= 3 Pole and 1 Pole
Trip Mode
2 cycles
0
SETTING
= Off
Trip 3-Pole Input 6
FLEXLOGIC OPERAND
OPEN POLE OP
FLEXLOGIC OPERAND
AR FORCE 3P TRIP
FLEXLOGIC OPERAND
LINE PICKUP OP
= Off
Trip Force 3-Pole
SETTING
= Off
Trip 3-Pole Input 1
OR
SETTING
= Off
Trip 1-Pole Input 6
SETTING
= Off
Trip 1-Pole Input 1
FLEXLOGIC OPERANDS
PHASE SELECT MULTI-P
PHASE SELECT BG
PHASE SELECT AG
PHASE SELECT CG
PHASE A
PHASE B
PHASE C
To trip output
logic sheet 2
3P
PHASE SELECT VOID
OR
870097A3.CDR
FLEXLOGIC OPERANDS
POTT TRIP 3P
DUTT TRIP 3P
PUTT TRIP 3P
HYBRID POTT TRIP 3P
DIR BLOCK TRIP 3P
DCUB TRIP 3P
SETTING
FLEXLOGIC OPERAND
POTT TRIP A
FLEXLOGIC OPERANDS
DUTT TRIP A
PUTT TRIP A
HYBRID POTT TRIP A
DIR BLOCK TRIP A
DCUB TRIP A
POTT TRIP C
DUTT TRIP C
PUTT TRIP C
HYBRID POTT TRIP C
DIR BLOCK TRIP C
DCUB TRIP C
OR
POTT TRIP B
DUTT TRIP B
PUTT TRIP B
HYBRID POTT TRIP B
DIR BLOCK TRIP B
DCUB TRIP B
FLEXLOGIC OPERANDS
FLEXLOGIC OPERANDS
TRIP FORCE 3-POLE

Table of Contents

Other manuals for GE D90 Plus

Related product manuals