EasyManua.ls Logo

GE D90 Plus - Disturbance Recorder

GE D90 Plus
688 pages
Print Icon
To Next Page IconTo Next Page
To Next Page IconTo Next Page
To Previous Page IconTo Previous Page
To Previous Page IconTo Previous Page
Loading...
CHAPTER 10: DIGITAL FAULT RECORDER DISTURBANCE RECORDER
D90
PLUS
LINE DISTANCE PROTECTION SYSTEM – INSTRUCTION MANUAL 521
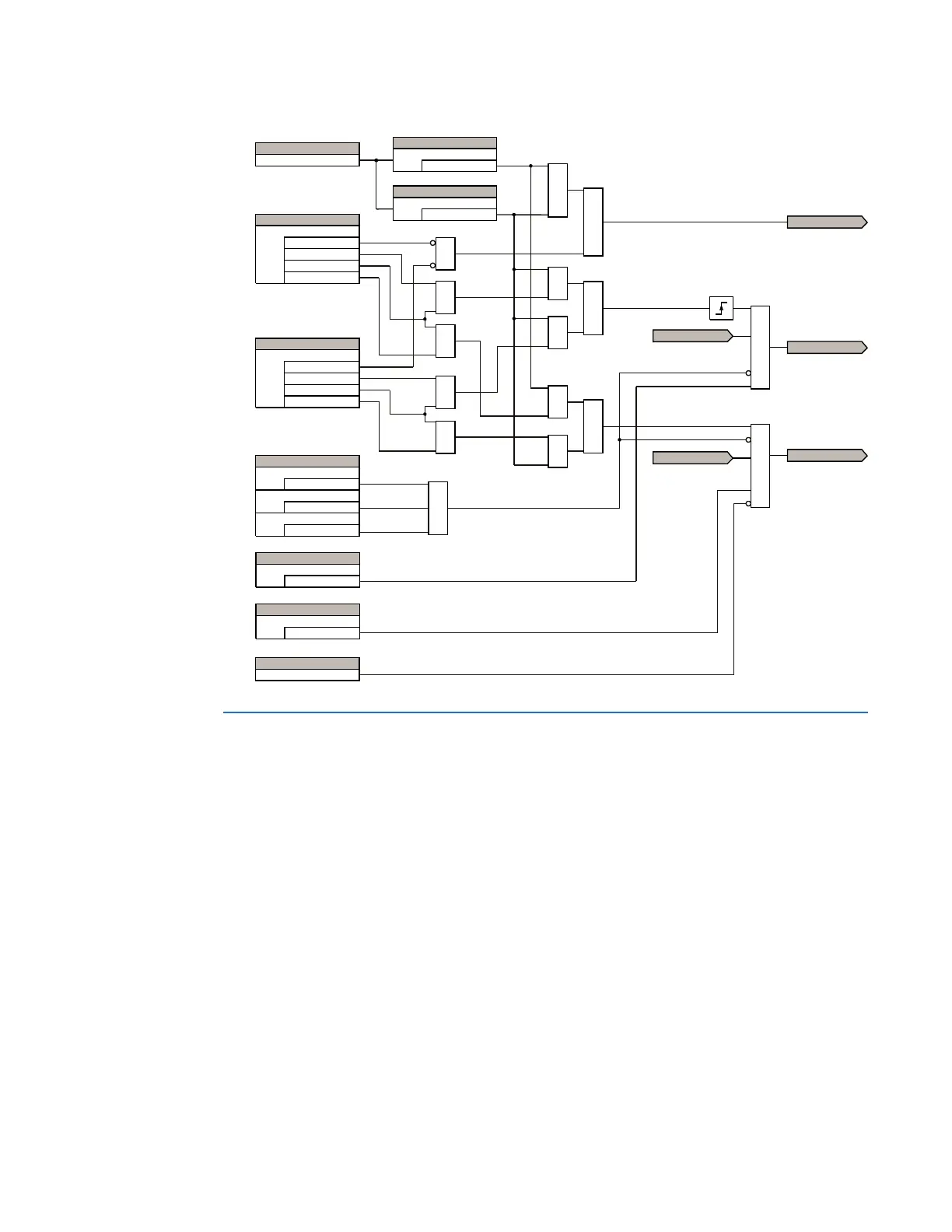
Figure 452: Analog channel trigger logic
Disturbance recorder
The disturbance recorder is designed to capture long duration events, such as power
swings, at a resolution of one sample per cycle. Under normal operation, the disturbance
recorder is capturing continuously the pre-event data and storing this data in memory.
When a trigger is received, the disturbance recorder captures the data during the post-
event period. Both the pre-event and post-event data are stored as a record in non-volatile
memory within the D90
Plus
.
The disturbance recorder captures the user-configured digital and analog channels, each
of which can be used to trigger or re-trigger the disturbance recorder. A re-trigger captures
an additional record but with no pre-event data. Triggered and re-triggered records are
merged into a single file, and the maximum number of re-triggers for a particular event is
user-programmable.
25
25
IURPWUDQVLHQWUHFRUGHU
WULJJHUORJLF
$&'5
$1/*&+$&7,9(
6(77,1*
9DOXH!+LJK3LFNXS
+LJK3LFNXS
)/(;/2*,&23(5$1'
5(75,**(56 0$;
6(77,1*
9DOXH/RZ3LFNXS
/RZ3LFNXS
6(77,1*
2II
+LJK7ULJJHULQJ
7ULJJHU2QO\
7ULJJHU5H7ULJJHU
5H7ULJJHU2QO\
25
25
6(77,1*
2II
+LJK7ULJJHULQJ
7ULJJHU2QO\
7ULJJHU5H7ULJJHU
5H7ULJJHU2QO\
25
25
6(77,1*6
'LVDEOHG
)XQFWLRQ
2II
%ORFN7ULJJHU
2II
%ORFN
25
6(77,1*6
(QDEOHG
7ULJJHU
6(77,1*6
(QDEOHG
5H7ULJJHU
$&78$/9$/8(
9DOXH
$1'
$1'
$1'
25
$1'
$1'
25
$1'
$1/*&+5(75,**(5
5(75,**(56839
$1'
75,**(56839
$1/*&+75,**(5
IURPWUDQVLHQWUHFRUGHU
WULJJHUORJLF

Table of Contents

Other manuals for GE D90 Plus

Related product manuals