EasyManua.ls Logo

GE D90 Plus - Page 663

GE D90 Plus
688 pages
Print Icon
To Next Page IconTo Next Page
To Next Page IconTo Next Page
To Previous Page IconTo Previous Page
To Previous Page IconTo Previous Page
Loading...
CHAPTER 15: THEORY OF OPERATION SINGLE-POLE TRIPPING
D90
PLUS
LINE DISTANCE PROTECTION SYSTEM – INSTRUCTION MANUAL 653
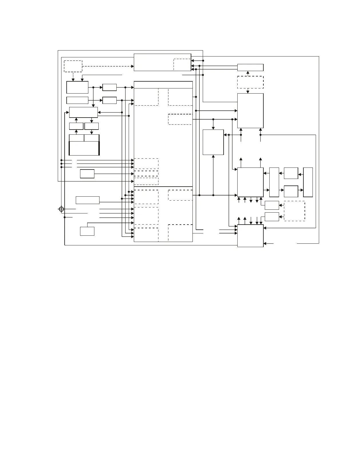
Figure 561: Single-pole operation
The trip output element receives requests for single-pole and three-pole trips and three-
pole reclose initiation. It then processes these requests to generate outputs that are used
to perform the following functions:
Determine whether a single- or three-pole operation is to be performed
Initiate tripping of breaker poles A, B, and C, either individually or as a group
Initiate breaker failure protection for phases A, B, and C, either individually or as a
group
Notify the open pole detector when a single-pole operation is imminent
Initiate either single-pole or three-pole reclosing
Notify the phase selector when a trip operation is imminent
When notified that a single-pole operation has been initiated, the open pole detector
performs the following functions:
Initiates blocking of protection elements that potentially can misoperate when a
breaker pole is open
Instructs the phase selector to de-assert all outputs, as an open pole invalidates
calculations
Single-pole operation on a line in a single breaker arrangement is described. The line is
protected by a D90
Plus
using the line pickup and zone 1 phase and ground distance
elements. It also implements a permissive overreaching transfer trip scheme using zone 2
phase and ground distance elements, as well as negative-sequence directional
overcurrent elements. Zone 1 is configured to issue a single-pole trip when appropriate:
%ORFNVSHFLILFSURWHFWLRQHOHPHQWV
3URWHFWLRQ
HOHPHQWV
,QSXWV
6HWWLQJ
/LQHSLFNXS
5HFORVH
UHTXHVW
)RUFH
WKUHHSROH
RSHUDWLRQ
7KUHHSROH
WULSUHTXHVW
7KUHHSROH
WULS
7ULS
$RU%RU&
6LQJOHSROH
WULS
6LQJOHSROH
WULSUHTXHVW
6/*IDXOWHG
SKDVH
$*
$5)25&(3
0XOWLSKDVH
9RLG
%*
&*
6LQJOHSROH
RSHUDWLRQ
7KUHHSROH
RSHUDWLRQ
3HUPLVVLRQ
5HVHW
7ULSDXWR
UHFORVHWKUHH
SROHLQLWLDWH
3LORWDLGHG
VFKHPHV
$&'5
7ULSRXWSXW
9ROWV
DQGDPSV
3KDVHVHOHFWRU
5HVHW
RXWSXW
,QLWLDWH
EUHDNHU
IDLOXUH
%UHDNHU
FRQWURO
%UHDNHU
DQG
SROHVWDWH
%UHDNHU
DQG
RXWRIVHUYLFH
9ROWVDQG
DPSV
5HFORVHU
&ORVH
&ORVH
&ORVH
&ORVH
2SHUDWRU
,QSXWV
2XWSXWV
,QLWLDWH
,QLWLDWH
0XOWLSKDVH
)DXOWORFDWRU
2SHQ
SROH
GHWHFWRU
6HWWLQJ
%UHDNHUDQG
6HWWLQJ
6HWWLQJ
6HWWLQJ
2XWSXWV
&RPPXQLFDWLRQ
FKDQQHOV
,QSXWV
6HWWLQJ
6HWWLQJ
6HWWLQJ
6HWWLQJ

Table of Contents

Other manuals for GE D90 Plus

Related product manuals