EasyManua.ls Logo

Mazda RX-8 2004 - Page 326

Mazda RX-8 2004
540 pages
Print Icon
To Next Page IconTo Next Page
To Next Page IconTo Next Page
To Previous Page IconTo Previous Page
To Previous Page IconTo Previous Page
Loading...
AUTOMATIC TRANSMISSION
051335
0513
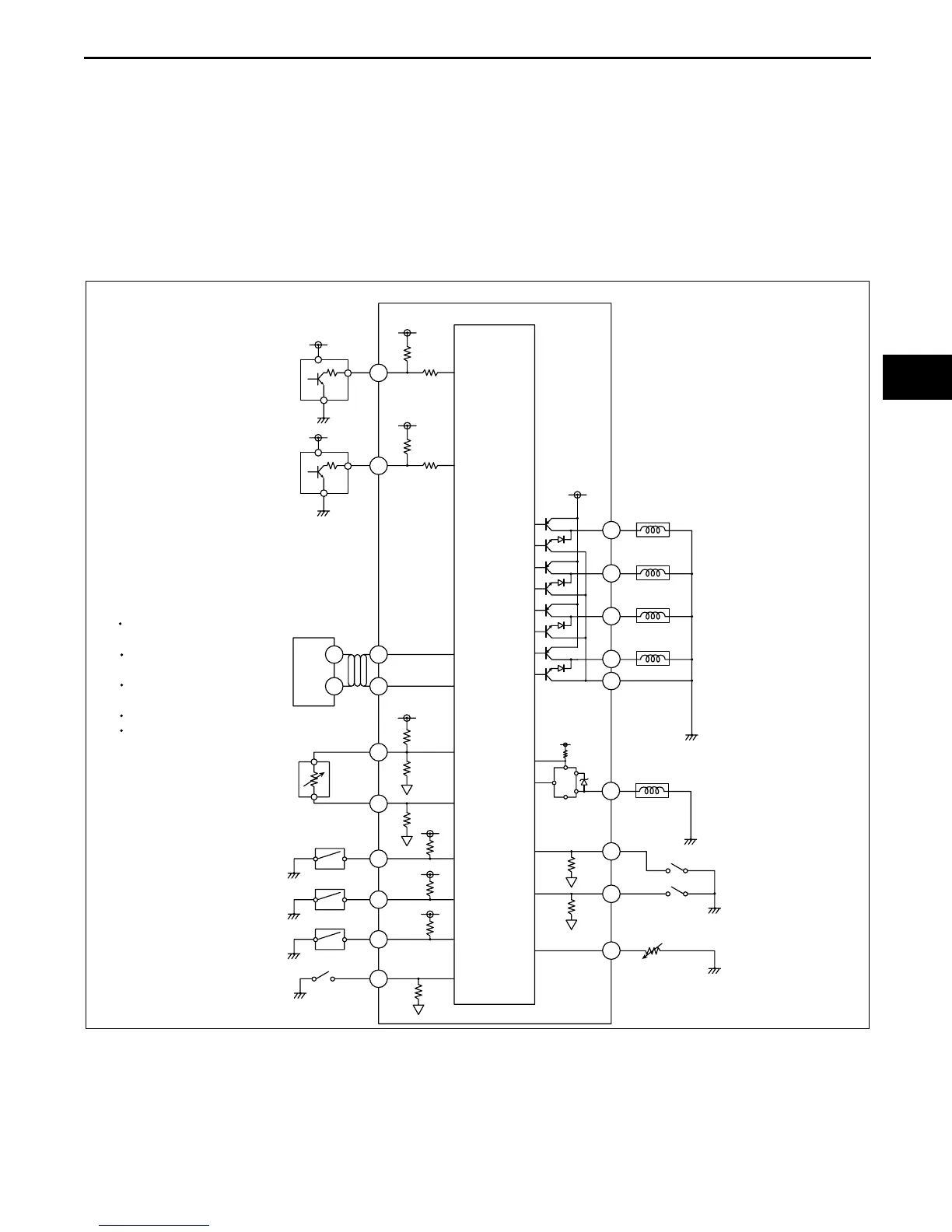
DIRECT ELECTRONIC SHIFT CONTROL STRUCTURE
CHU051318901S09
Features
According to signals from switches and sensors, direct electronic shift control drives the duty-cycle solenoid
valves (shift solenoid valves A, B, C, F), regulates clutch pressure to suit engine load and vehicle speed, and
electronically controls clutch pressure directly.
As a result, minute hydraulic control is possible, unlike with conventional clutch engagement pressure control
using an accumulator.
Even for select lever operation, the TCM provides the optimum torque capacity of clutch to the engagement-
and release-side clutches according to the transmission input torque (turbine torque).
Structure
System diagram
End Of Sie
2K
TCM
2G
2P
2S
2V
2Y
2U
2X
1Y
PCM
CAN
1V
1E
2H
2F
2A
2I
2D
1W
2J
2N
VSS
TURBINE
SENSOR
SHIFT SOLENOID F
SHIFT SOLENOID B
SHIFT SOLENOID C
SHIFT SOLENOID A
PRESSURE
CONTROL SOLENOID
UP SWITCH
DOWN SWITCH
UP/DOWN SIGNAL
TURBINE SPEED SIGNAL
THROTTLE
OPENING SIGNAL
ENGINE
TORQUE SIGNAL
ENGINE SPEED SIGNAL
REDUCE
TORQUE SIGNAL
TFT SENSOR
OIL PRESSURE SWITCH B
OIL PRESSURE SWITCH C
OIL PRESSURE SWITCH F
M RANGE SWITCH
CHU0513S055

Table of Contents

Related product manuals