EasyManua.ls Logo

Mazda RX-8 2004 - Electric Power Steering (Eps) System Wiring Diagram

Mazda RX-8 2004
540 pages
Print Icon
To Next Page IconTo Next Page
To Next Page IconTo Next Page
To Previous Page IconTo Previous Page
To Previous Page IconTo Previous Page
Loading...
ELECTRIC POWER STEERING (EPS)
0613–3
0613
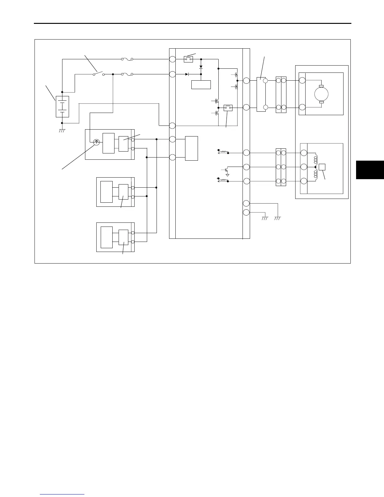
ELECTRIC POWER STEERING (EPS) SYSTEM WIRING DIAGRAM
CHU061301034S03
End Of Sie
1A
2P
2M
2K
4B
4A
1B
3C
3B
3A
2A
2O
A
B
C
A
B
M
EPS 60 A
ENGINE 15 A
EPS WARNING
LIGHT
INSTRUMENT
CLUSTER
ABS HU/CM OR
DSC HU/CM
PCM
CPU
CPU
CPU
CAN
DRIVER
CAN DRIVER
CAN DRIVER
MOTOR
RELAY
POWER RELAY
EPS CONTROL MODULE
STEERING GEAR
AND LINKAGE
EPS MOTOR
TORQUE SENSOR
IG SWITCH
SENSOR
CORE
a
b
a a
b b
a a
b b
c c
NOISE
FILTER
CPU
BATTERY
CAN DRIVER
CHU0602S004

Table of Contents

Related product manuals