EasyManua.ls Logo

Mazda RX-8 2004 - Cooling System Structural; 01-12 Cooling System; Cooling System Flow Chart; Cooling System Outline

Mazda RX-8 2004
540 pages
Print Icon
To Next Page IconTo Next Page
To Next Page IconTo Next Page
To Previous Page IconTo Previous Page
To Previous Page IconTo Previous Page
Loading...
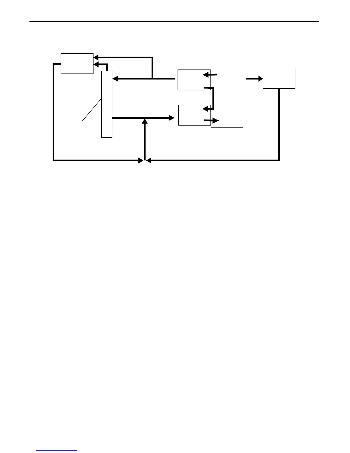
COOLING SYSTEM
0112–2
COOLING SYSTEM FLOW CHART
CHU011201008S03
End Of Sie
COOLANT
RESERVE
TANK
THERMOSTAT
ENGINE
WATER
PUMP
HEATER
RADIATOR
CHU0112S001

Table of Contents

Related product manuals