EasyManua.ls Logo

Rockwell Automation PowerFlex 7000 - Chapter 1 PowerFlex 7000 Drive Overview; Topology

Rockwell Automation PowerFlex 7000
350 pages
Print Icon
To Next Page IconTo Next Page
To Next Page IconTo Next Page
To Previous Page IconTo Previous Page
To Previous Page IconTo Previous Page
Loading...
Functional Description 1-9
7000-TD002A-EN-P – September 2007
-
+
+
+
1.0
-1.0
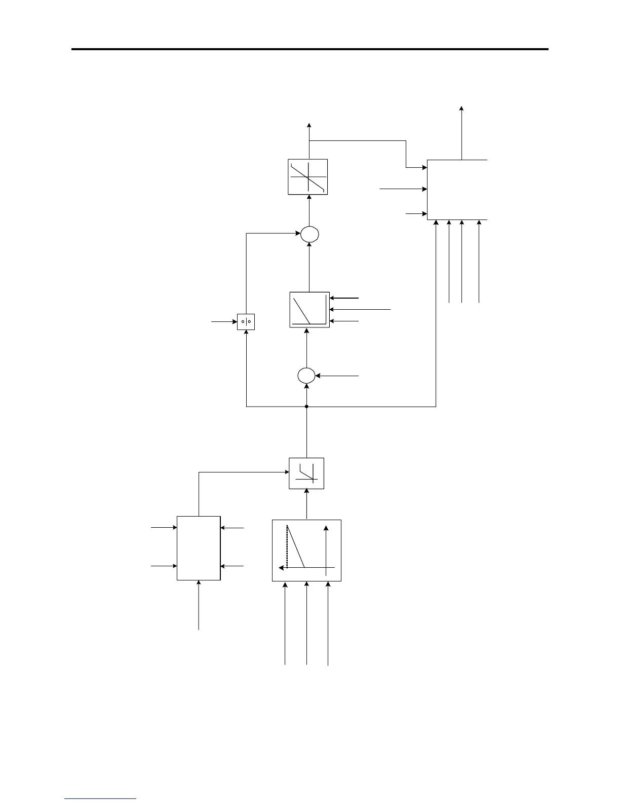
FluxCur Feedfwd
(308)
EXCITATION
CURRENT
LIMIT
MtrFlux CurCmd
(310)
Stator
Frequency
(448)
InvFlux CurCmd
(312)
CAP CURRENT
CALCULATOR
MtrTorque
CurCmd
(292)
Motor Filter Cap (128)
LTotal Leakage (130)
R Stator (129)
Flxreg
Band width
(97)
T Rotor (132)
Lm Rated
(131)
Flux
Feedback
(306)
Flux
Reference
(305)
FLUX
LIMIT
Flux Error
(307)
Base
Speed
(98)
FlxCmd Rated Load (100)
Torque Reference (291)
Speed
Feedback
(289)
FlxCmd No Load (103)
Rec Input Volt
(696)
Rated Line
Volt (18)
Rated Motor
Volt (22)
FLUX
COMMAND
LIMIT
Flux Cmd Limit
(623)
Lm Rated
(131)
FluxCur
Regulator
(309)
FLUX
REGULATOR
Figure 1.5 – Flux Control

Table of Contents

Other manuals for Rockwell Automation PowerFlex 7000

Related product manuals