EasyManua.ls Logo

Siemens LOGO! - Logo! am 2

Siemens LOGO!
332 pages
Print Icon
To Next Page IconTo Next Page
To Next Page IconTo Next Page
To Previous Page IconTo Previous Page
To Previous Page IconTo Previous Page
Loading...
37
LOGO! Manual
A5E00380835-01
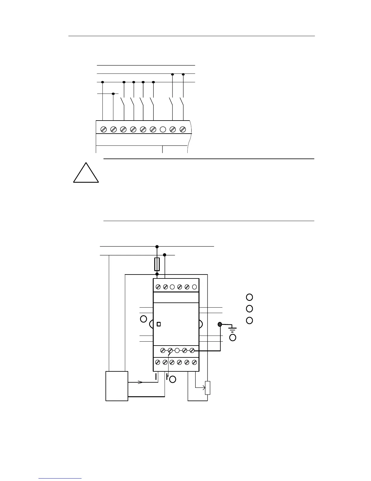
LOGO! 230 ....
L1
N
L3
L2
The inputs of these
devices are arranged in 2
groups, each consisting
of 4 inputs. Different
phases are only possible
between blocks, but not
within the blocks.
NL1 I1 I2 I3 I4 I5 I6
!
Warning
Current safety regulations (VDE 0110, ... and IEC 61131-2,
... as well as cULus) do not permit the connection of
different phases to an AC input group (I1 to I4 or I5 to I8)
or to the inputs of a digital module.
LOGO! AM 2
Current
measurement
Voltage measurement
ML+
L
+
M
Current
U1 I2 M2 U2I1 M1
PE
L
+
M
Reference
current
0...20
mA
1
2
1
PE
Earth
Cable shielding
PE terminal for
connecting earth
and the shielding of
the analog
measuring cable
3
3
DIN rail
RUN/STOP
2
M
ML+
LOGO! installation and wirin
g

Table of Contents

Other manuals for Siemens LOGO!

Related product manuals