EasyManua.ls Logo

Branson 2000X - Page 90

Branson 2000X
317 pages
Print Icon
To Next Page IconTo Next Page
To Next Page IconTo Next Page
To Previous Page IconTo Previous Page
To Previous Page IconTo Previous Page
Loading...
Chapter 5: Technical Specifications
Standard Modules and Components
5-12 011-003-991 EN
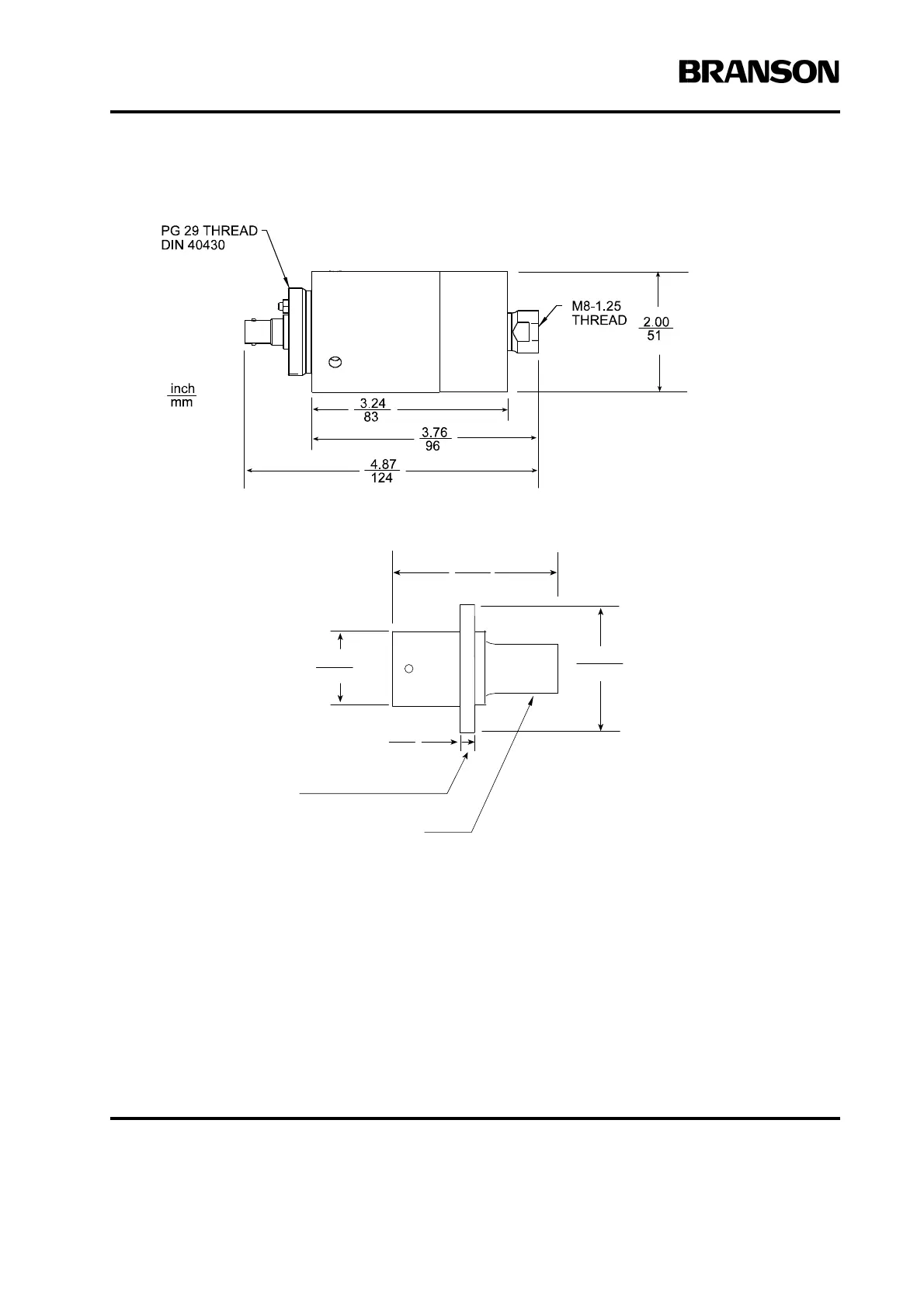
Figure 5.11 40kHz, 4TP Converter Dimensions
Figure 5.12 40kHz Booster Dimensions
2.50*
64
1.255
32
.094
2.4
BOOSTER FRONT END
DIAMETER WILL VARY
WITH AMPLITUDE
RECOMMENDED
CLAMPING
LOCATION
1.125
28
*LENGTH WILL VARY
WITH TUNING

Table of Contents

Related product manuals