EasyManua.ls Logo

Daewoo Mega 500-V - Transmission Electrical Circuits

Daewoo Mega 500-V
686 pages
Print Icon
To Next Page IconTo Next Page
To Next Page IconTo Next Page
To Previous Page IconTo Previous Page
To Previous Page IconTo Previous Page
Loading...
S0607080K
Page 24
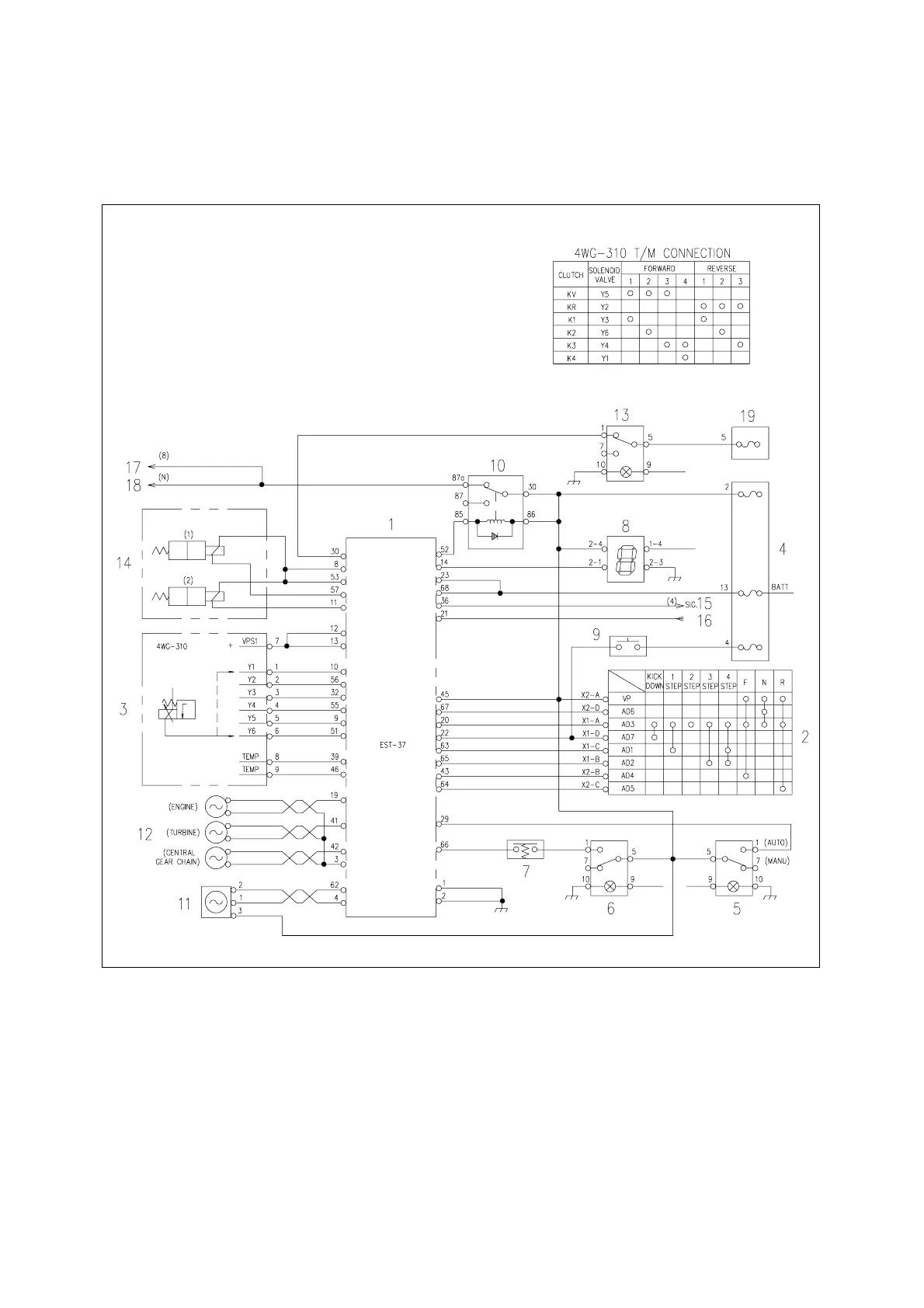
Transmission and Torque Converter
(ZF 4WG-310)
TRANSMISSION ELECTRICAL CIRCUITS
TRANSMISSION CONTROLLER CIRCUIT
AHS0130L
Figure 21

Table of Contents

Related product manuals