EasyManua.ls Logo

Daewoo Mega 500-V - Light Circuit; Lighting System

Daewoo Mega 500-V
686 pages
Print Icon
To Next Page IconTo Next Page
To Next Page IconTo Next Page
To Previous Page IconTo Previous Page
To Previous Page IconTo Previous Page
Loading...
S0802190K
Page 32
Electrical System
Return to Master Table of Contents
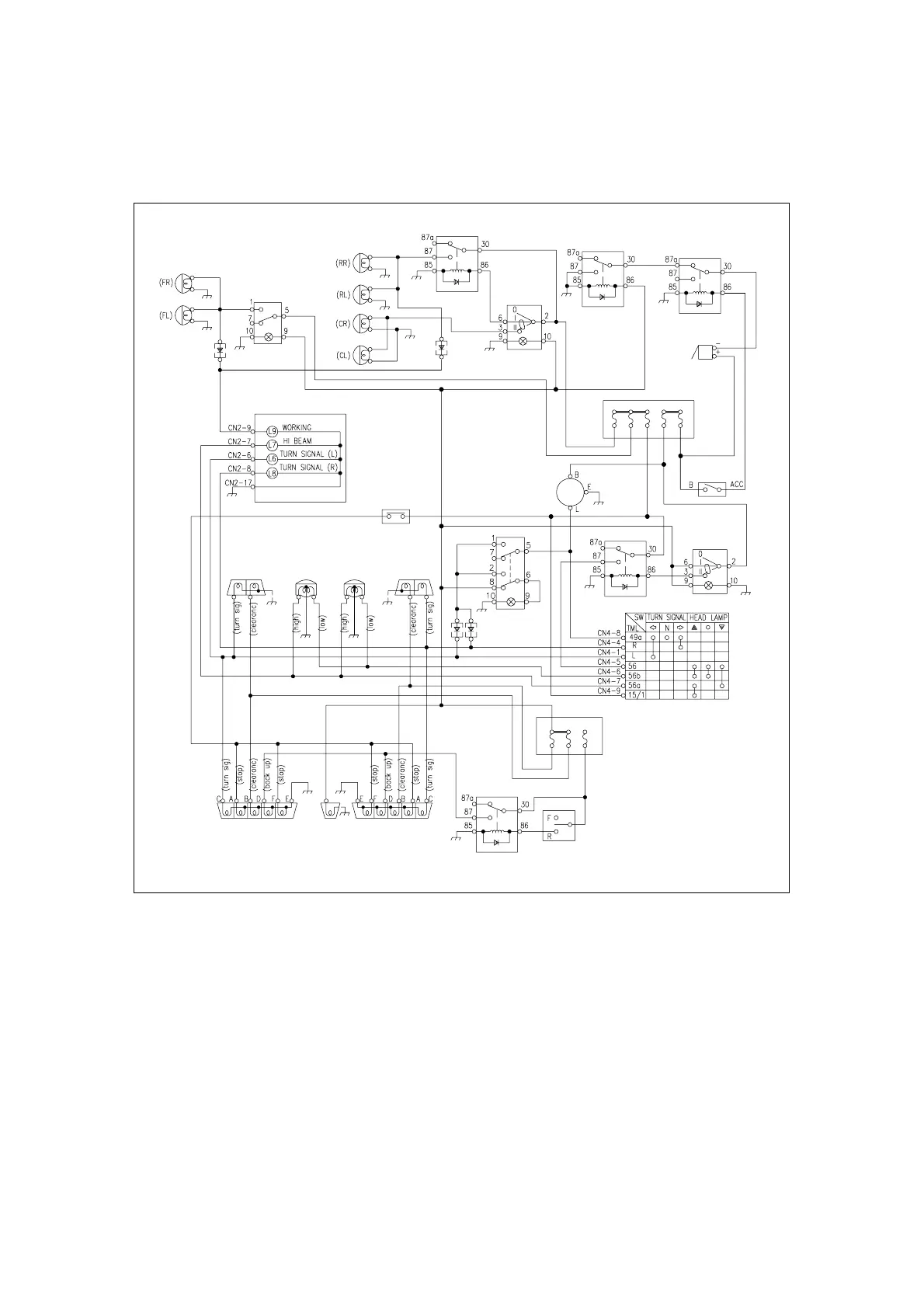
LIGHTING SYSTEM
LIGHT CIRCUIT
AJS0180L
19
22
21
18
17
7
2
24
12
10
11
13
6
8
3
23
5
9
14
16
15
1
26
27
20
18
4
18
28
29
25
Figure 17 LIGHT CIRCUIT

Table of Contents

Related product manuals