EasyManua.ls Logo

Daewoo Mega 500-V - Monitoring System Schematic

Daewoo Mega 500-V
686 pages
Print Icon
To Next Page IconTo Next Page
To Next Page IconTo Next Page
To Previous Page IconTo Previous Page
To Previous Page IconTo Previous Page
Loading...
S0802190K
Page 20
Electrical System
Return to Master Table of Contents
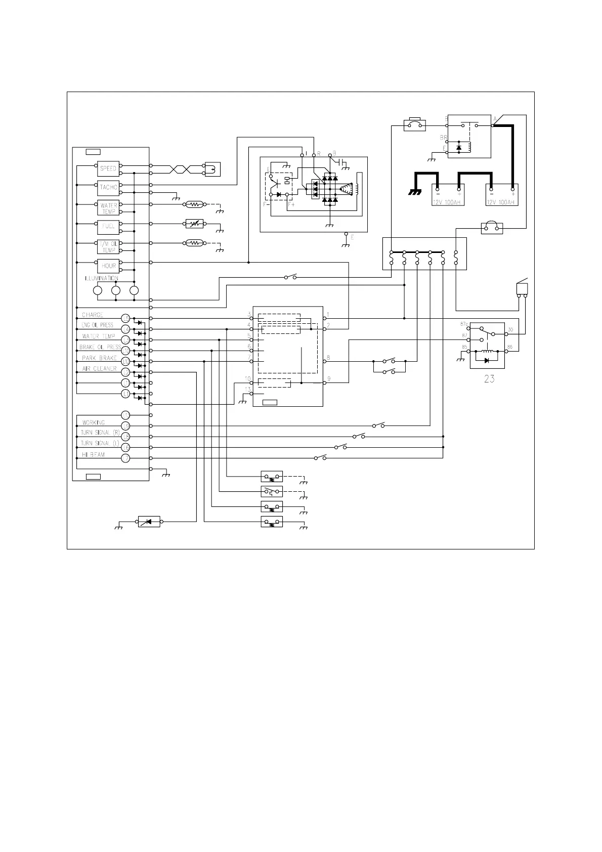
MONITORING SYSTEM SCHEMATIC
26
AMP MIC 17P
CN2
15
CN2-7
CN2-17
CN2-9
CN2-8
CN2-6
CN2-10
CN2-1
CN2-16
CN2-13
CN2-11
CN2-12
CN2-2
CN2-5
CN2-3
CN2-4
CN1-9
CN1-1
8
17
19
18
16
5
6
7
AMP MIC 13P
CN1
TIME DELAY
BUZZER CIRCUIT
21
3
4
10
1
AMP MIC 13P
1
+
+
+
+
CN1
+
CN1-2
CN1-7
CN1-8
2
-
3
-
S
-
S
CN1-5
CN1-6
CN1-13
CN1-3
CN1-4
S
S
-
-
SIG
2
1
11
13
12
2
28
27
24
22
25
20
HAAG2020
Figure 12

Table of Contents

Related product manuals