EasyManua.ls Logo

Daewoo Mega 500-V - Page 553

Daewoo Mega 500-V
686 pages
Print Icon
To Next Page IconTo Next Page
To Next Page IconTo Next Page
To Previous Page IconTo Previous Page
To Previous Page IconTo Previous Page
Loading...
S0709476K
Page 7
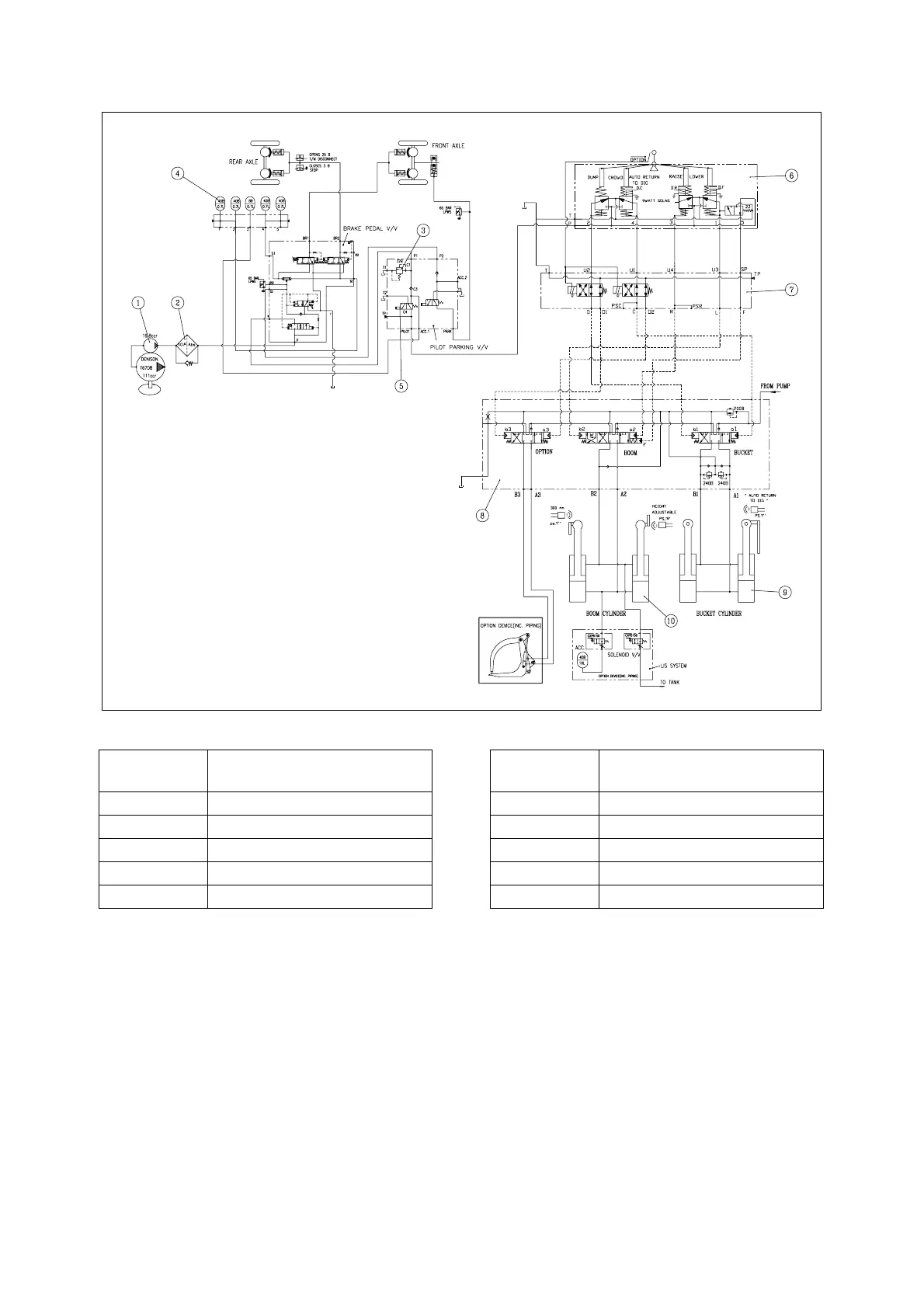
Pilot Control Valve
Return to Master Table of Contents
AHS3800L
Figure 2
Reference
Number
Description
1 Pilot Pump
2 Brake and Pilot Filter
3 Pressure Relief Valve
4 Accumulator: Pilot
5 Pilot Cutoff Valve
6 Pilot Valve (Mono, STD.)
7 Solenoid Valve (OPT.)
8 Main Control Valve
9 Bucket Cylinder
10 Boom Cylinder
Reference
Number
Description

Table of Contents

Related product manuals