EasyManua.ls Logo

GE P24DM - Low Voltage Ride through Authorization; Figure 75: Adjustable Reacceleration Authorization - Voltage Restored Within the Set Time

GE P24DM
600 pages
Print Icon
To Next Page IconTo Next Page
To Next Page IconTo Next Page
To Previous Page IconTo Previous Page
To Previous Page IconTo Previous Page
Loading...
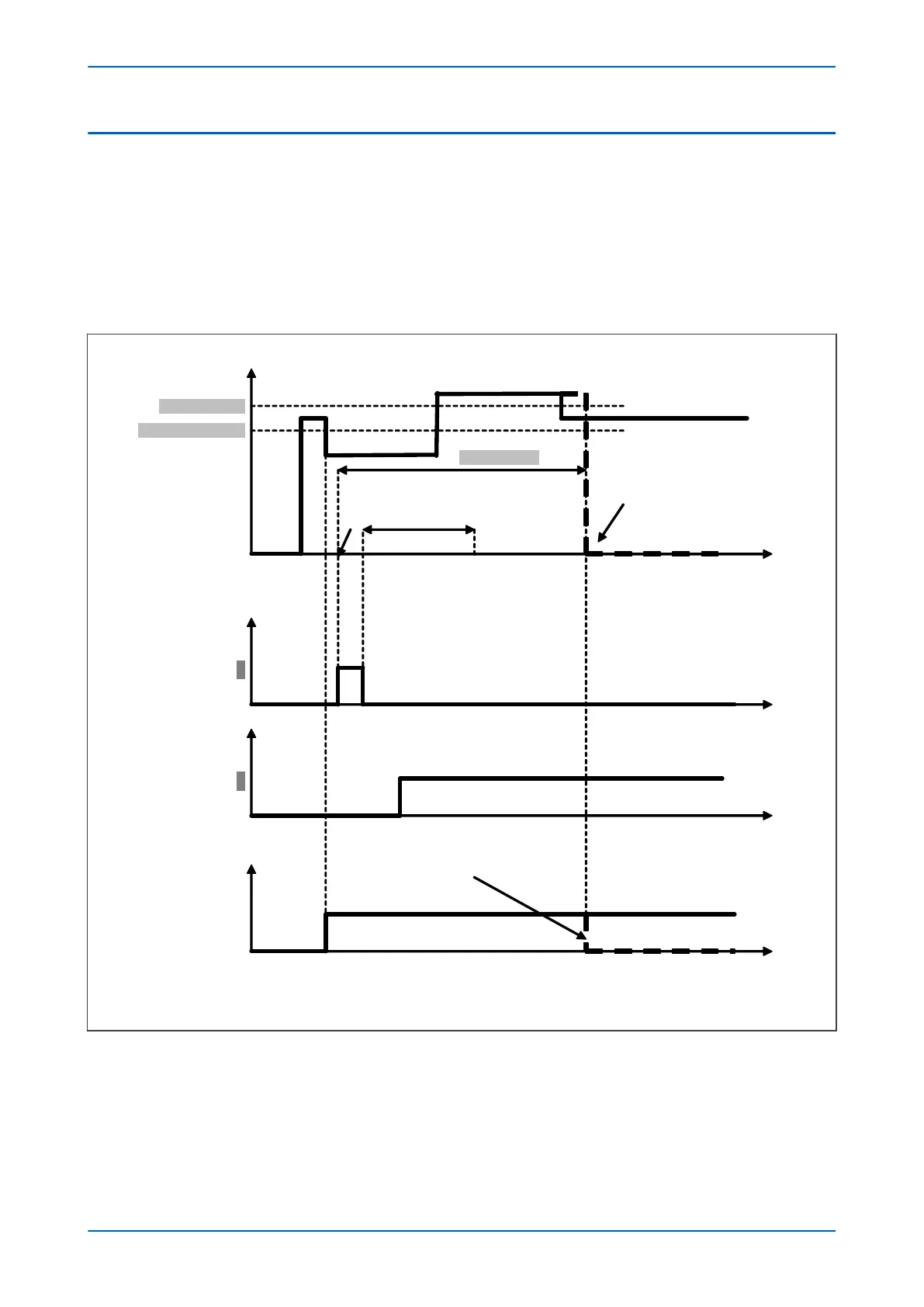
14.6 LOW VOLTAGE RIDE THROUGH AUTHORIZATION
When L
V Ride Thru is enabled, extra settings are available to define the restored voltage level and introduce an
adjustable delay for reacceleration.
A settable overvoltage threshold Reac. High V Set makes it possible to detect pre-defined restoration of the
voltage.
Adjust the time delay Reac. Time. This time delay corresponds to the maximum duration of voltage sag for which
the motor reacceleration is authorized. On detection of a voltage drop, the relay initiates a time-delay Reac Time.
The diagrams below show the relay behaviour under different conditions:
V00790
Stall Setting
Starting Current
Scenario 1
Scenario 2
Current
0
Due to trip in case of
Scenario 2
Time
Time
Start Successful
0
Time
High V Detection
0
1
1
t
0
t
1
At the time t
1
when the timer is
time d out and
sce nario
2
is true,
the relay trips on “Stall Prol
.
Start
. In case of scenario
1
there is no trip.
Time
Low V Detection
0
1
Reac. Time
Reac.
Time timer starts when low voltage
condition is detected. During this period
Stall function is disabled and
Reac
In P rogress
is a sserted
5 sec
Figure 75: Adjustable reacceleration authorization - Voltage restored within the set time
P24xM Chapter 6 - Current Protection Functions
P24xM-TM-EN-2.1 151

Table of Contents

Related product manuals