EasyManua.ls Logo

GE P24DM - Anti-Backspin Protection

GE P24DM
600 pages
Print Icon
To Next Page IconTo Next Page
To Next Page IconTo Next Page
To Previous Page IconTo Previous Page
To Previous Page IconTo Previous Page
Loading...
16 ANTI-BACKSPIN PROTECTION
The anti-backspin function is mainly used for a motor with high inertia, or a synchronous motor in deceleration.
This f
unction is used to detect when the rotor has completely stopped, to allow restarting of the motor.
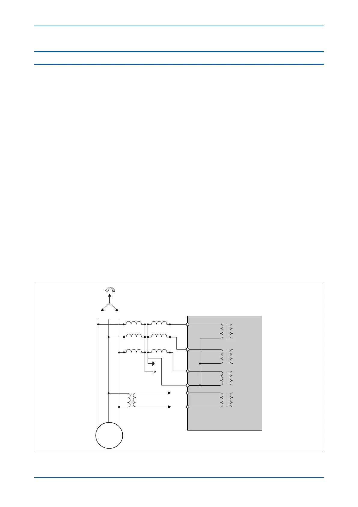
The operation of the function depends on the VRemanent setting in the CT AND VT RATIOS column. The
VRemanent parameter is visible only if VN Input is configured as Derived. In this case, 4th VT is available for
VPhase-Phase remanent.
If VRemanent is Enabled:
The Vr Antibacks Mag value is visible in MEASUREMENTS 1 column.
The anti-backspin algorithm uses the VRem Antibacks setting (in the MOTOR PROTECTION Column) as a
threshold for Vr Antibacks Mag.
The Anti-backs delay setting is used as a delay.
If VRemanent is Disabled:
The anti-backspin algorithm uses the Anti-backs delay setting as a delay
If the VPhase-Phase Remanent is connected:
When the remanent phase-phase voltage drops under the threshold during the delay, the signal Antibkspin Alarm
is reset (and the delay is reset) and a new start is allowed. If the threshold is not reached and the delay expires, the
Antibkspin Alarm signal is reset and a new start is allowed.
If the VPhase-Phase remanent is not connected:
If the Anti-backs delay expires, the alarm signal Antibkspin Alarm is reset and a new start is allowed.
The Antibkspin Alarm may be added to the PSL circuit breaker closing logic.
VPhase-Phase remanent threshold has no impact.
As soon as the motor is stopped (CB open 3 ph), the delay set (maximum delay to stop) starts and the Antibkspin
Alarm signal is set.
a
a
b
b
c
c
a
bc
UPSTREAM
P24DM
Remanant voltage
XX X
M
N N
Va
Vb
Vc
4th VT
E02625
Figure 82: 3 phase VTs and Anti-Backspin (remanent phase-phase) VT configuration
Chapter 6 - Current Protection Functions P24xM
162 P24xM-TM-EN-2.1

Table of Contents

Related product manuals