EasyManua.ls Logo

GE P24DM - Overvoltage Protection Logic; Figure 99: Overvoltage - Single and Three Phase Tripping Mode (Single Stage)

GE P24DM
600 pages
Print Icon
To Next Page IconTo Next Page
To Next Page IconTo Next Page
To Previous Page IconTo Previous Page
To Previous Page IconTo Previous Page
Loading...
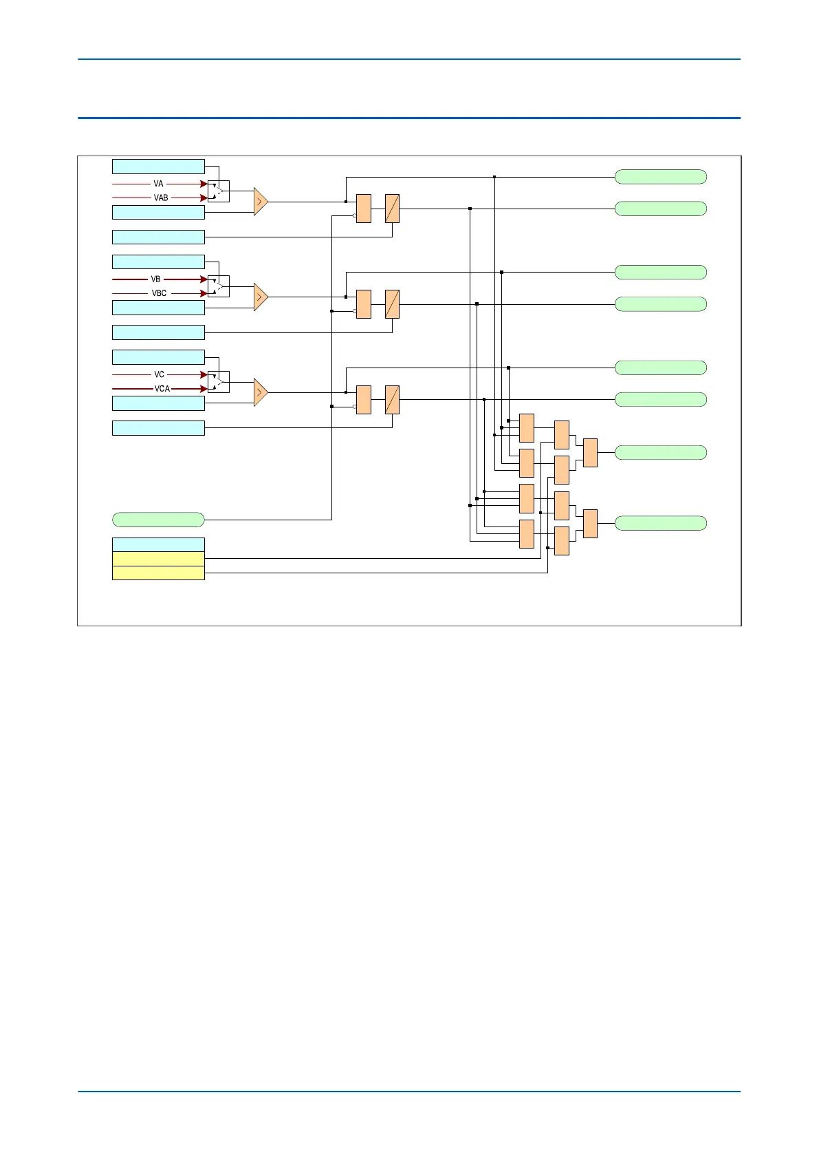
3.2 OVERVOLTAGE PROTECTION LOGIC
V00804
V>1 Voltage Set
V>1 Time Delay
V>1 Trip A/ AB
V>1 Start A/A B
&
1
&
&
&
1
&
&
1
1
V>1 Start
V>1 Trip
V> Operate mode
Any Ph ase
Thre e Phase
V> Measur't Mode
&
V>1 Voltage Set
V>1 Time Delay
V>1 Trip B/ BC
V>1 Start B/B C
V> Measur't Mode
&
V>1 Voltage Set
V>1 Time Delay
V>1 Trip C/CA
V>1 Start C/CA
V> Measur't Mode
&
V>1 Timer Block
Notes: This diagram does not show all stages. Other stages follow similar principles.
VTS Fast Block only applies for directional models.
t
t
t
0
0
0
Figure 99: Overvoltage - single and three phase tripping mode (single stage)
The O
vervoltage protection function detects when the voltage magnitude for a certain stage exceeds a set
threshold. If this happens a Start signal, signifying the "Start of protection", is produced. This Start signal can be
blocked by the VTS Fast Block signal. This start signal is applied to the timer module to produce the Trip signal,
which can be blocked by the overvoltage timer block signal (V>(n) Timer Block). For each stage, there are three
Phase overvoltage detection modules, one for each phase. The three Start signals from each of these phases are
OR'd together to create a 3-phase Start signal (V>(n) Start), which can then be activated when any of the three
phases start (Any Phase), or when all three phases start (Three Phase), depending on the chosen V> Operate Mode
setting.
The outputs of the timer modules are the trip signals which are used to drive the tripping output relay. These
tripping signals are also OR'd together to create a 3-phase Trip signal, which are also controlled by the V> Operate
Mode setting.
If any one of the above signals is low, or goes low before the timer has counted out, the timer module is inhibited
(effectively reset) until the blocking signal goes high.
Chapter 10 - Voltage Protection Functions P24xM
208 P24xM-TM-EN-2.1

Table of Contents

Related product manuals