EasyManua.ls Logo

Mazda RX-8 2004 - Page 334

Mazda RX-8 2004
540 pages
Print Icon
To Next Page IconTo Next Page
To Next Page IconTo Next Page
To Previous Page IconTo Previous Page
To Previous Page IconTo Previous Page
Loading...
AUTOMATIC TRANSMISSION
051343
0513
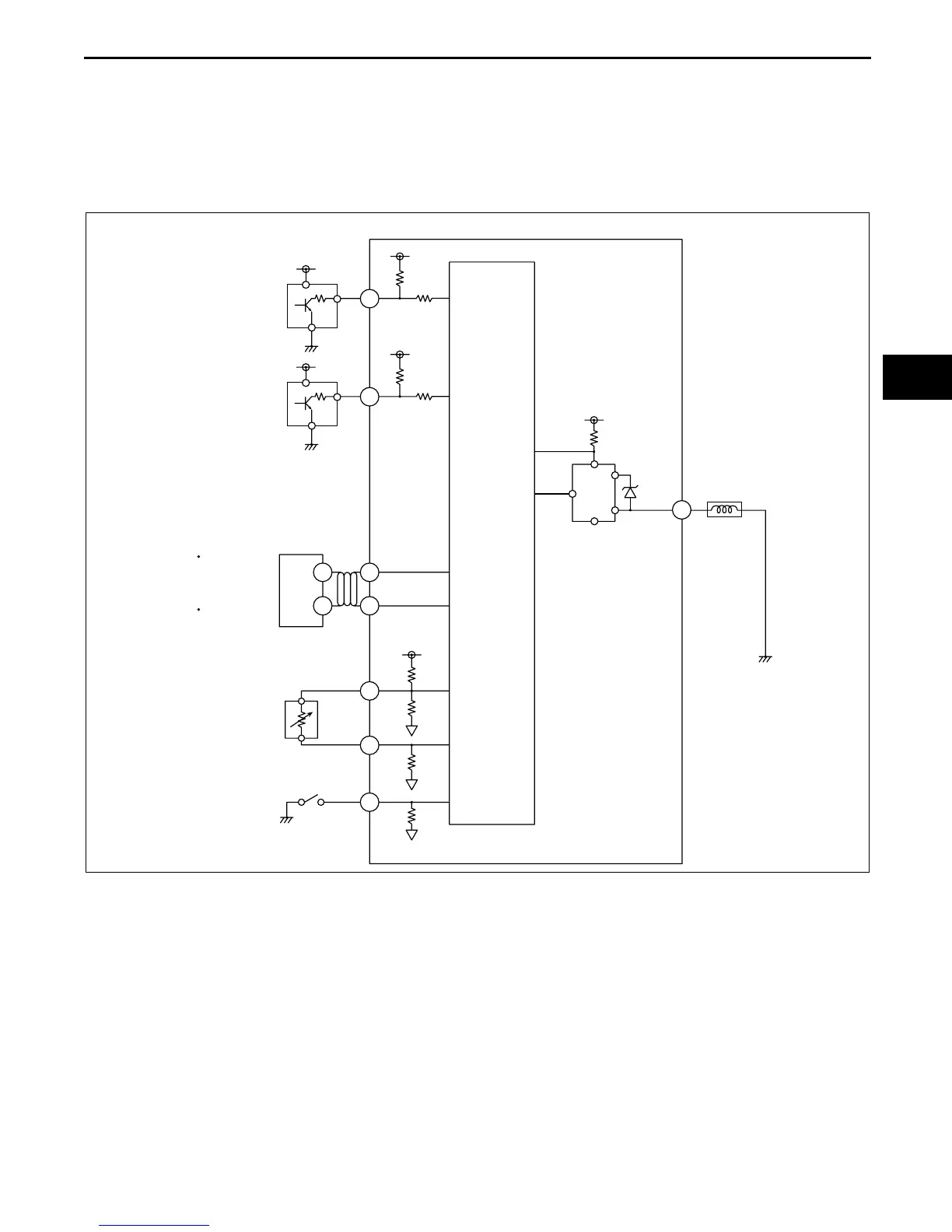
TORQUE CONVERTER CLUTCH (TCC) CONTROL STRUCTURE
CHU051301030S16
Features
The TCM selects the TCC schedule according to the gear selected by the transmission. Fifty Hz (20 ms cycle)
on/off signals are relayed from the TCC schedule, VSS and throttle opening angle to the duty cycle TCC
solenoid valve to control the TCC.
Structure
System diagram
End Of Sie
VSS
TCC SOLENOID
TURBINE
SENSOR
TFT SENSOR
THROTTLE
OPENING
SIGNAL
ENGINE
SPEED
SIGNAL
2K
TCM
2G
2W
1Y
PCM
CAN
1V
1E
2J
2N
M RANGE SWITCH
CHU0513S060

Table of Contents

Related product manuals