EasyManua.ls Logo

Mazda RX-8 2004 - Page 448

Mazda RX-8 2004
540 pages
Print Icon
To Next Page IconTo Next Page
To Next Page IconTo Next Page
To Previous Page IconTo Previous Page
To Previous Page IconTo Previous Page
Loading...
SUNROOF
0915–4
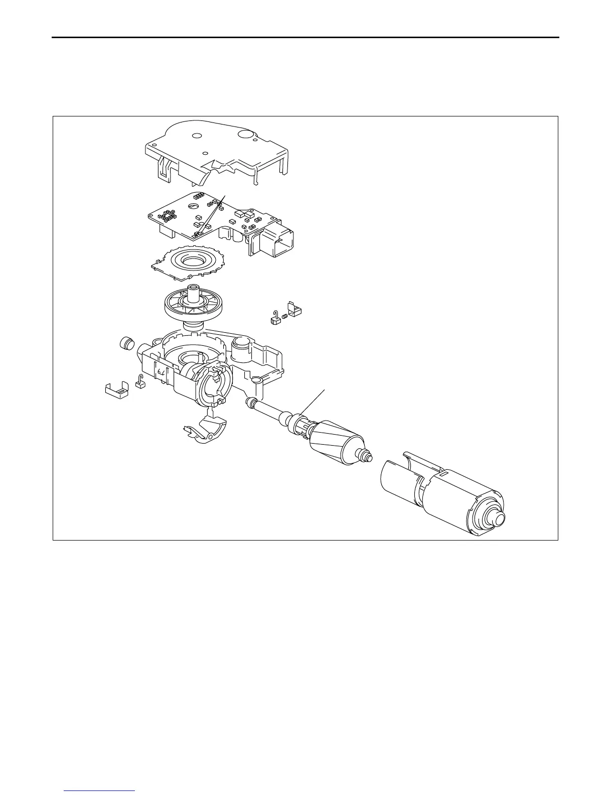
SUNROOF MOTOR CONSTRUCTION
CHU091569873S01
The motor consists of gear and control parts.
A magnetic wheel is provided on the motor shaft.
Two Hall ICs are provided in the control part.
The control unit detects the rotation direction, speed and amount based on pulse signals from the two Hall ICs,
and controls the position and static load of the glass panel accordingly.
End Of Sie
HALL IC1, 2
MAGNETIC WHEEL
CHU0915S104

Table of Contents

Related product manuals