EasyManua.ls Logo

HBM MGCplus - Page 295

HBM MGCplus
304 pages
Print Icon
To Next Page IconTo Next Page
To Next Page IconTo Next Page
To Previous Page IconTo Previous Page
To Previous Page IconTo Previous Page
Loading...
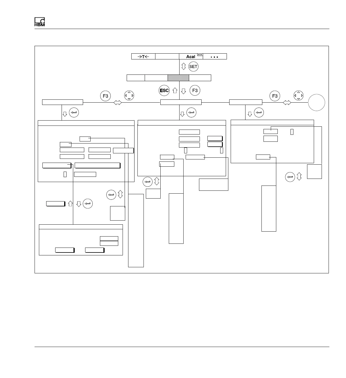
Menu structure
MGCplus A0534-30.0 HBM: public 295
Transducer Display
mV/V
V
%
or or
AmplifierSystem Display Options
Signal conditioning
Reference zero:
Zero offset:
Tare:
Disable zero calibration: Disable
taring:
Low pass
High pass
SIGNAL CONDITIONING CHANNEL 1
0.0000 ...
100
V
0.0000 ...
V
0.0000 ...
V
V
Hz
Off
Bessel
1
2
5
10
20
50
100
200
500
1000
Bessel
Butterworth
100
40
20
10
5
2.5
1.25
0.5
0.2
0.1
0.05
Off
On
1V
2.5V
5V
V
g
kg
t
kt
tons
lbs
N
kN
bar
mbar
Pa
pas
F
kg
0.0000Point 1:
mV/V
0.0000
Shunt off
CancelOK
measure
0.0000Point 2 0.0000
measure
Characteristic curve points
2.0000 ...
Type SG full bridge circuit
Current feed
Unit: mV/V
Zero pt.:
Nom. val.:
Gage factor:
TRANSDUCER CHANNEL1
kg
0.0000 ... 0.0000 ...
50.0000 ...
calibrate... Adjust amplifier
0.0000 ...
5V
3
measure
Unit Abs
Decimal places
Display range from
to
Step
DISPLAY CHANNEL1
100
10.000 V
10.000 V
3 ...
V
3
3 3
>0<
>T<
OK
Unit:

Table of Contents

Related product manuals