EasyManua.ls Logo

HBM MGCplus - Page 35

HBM MGCplus
304 pages
Print Icon
To Next Page IconTo Next Page
To Next Page IconTo Next Page
To Previous Page IconTo Previous Page
To Previous Page IconTo Previous Page
Loading...
Connection
Connecting the MGCplus in a tabletop housing/rack frame
MGCplus A0534-30.0 HBM: public 35
RS 232
USB DEVICE
USB HOST
ETHERNET
CTRL I/O
OUT
IN
24V 21GN
D
12
OUT
IN
SYNC
CARDBUS
CP42
YE SLAVE
RD ERROR
GN MASTER
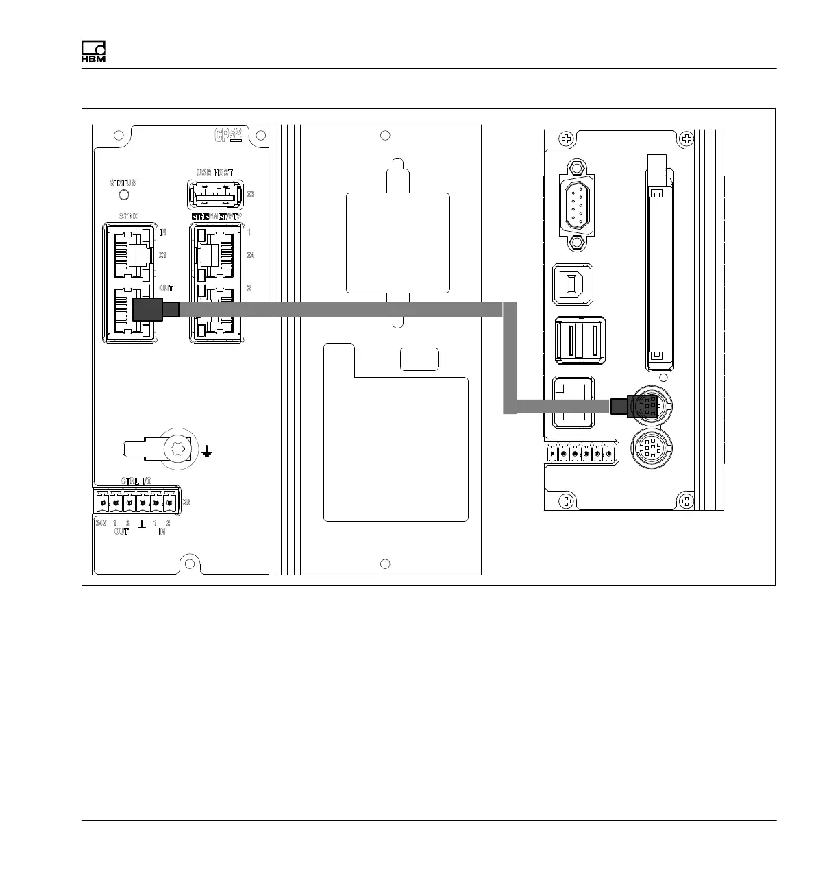
Fig. 4.2 Example of synchronizing two MGCplus systems equipped with CP52
and CP42.

Table of Contents

Related product manuals