EasyManua.ls Logo

ABB IRC5 - Emergency Stop

ABB IRC5
549 pages
Print Icon
To Next Page IconTo Next Page
To Next Page IconTo Next Page
To Previous Page IconTo Previous Page
To Previous Page IconTo Previous Page
Loading...
Prepared by, date:
17
We reserve all rights in this document and in the information contained therein.Reproduction, use or
disclosure to third parties without express authority is strictly forbidden. © Copyright 2003 ABB
Page 16
48Total
3HAC024120-004
Latest revision:
Approved by, date:
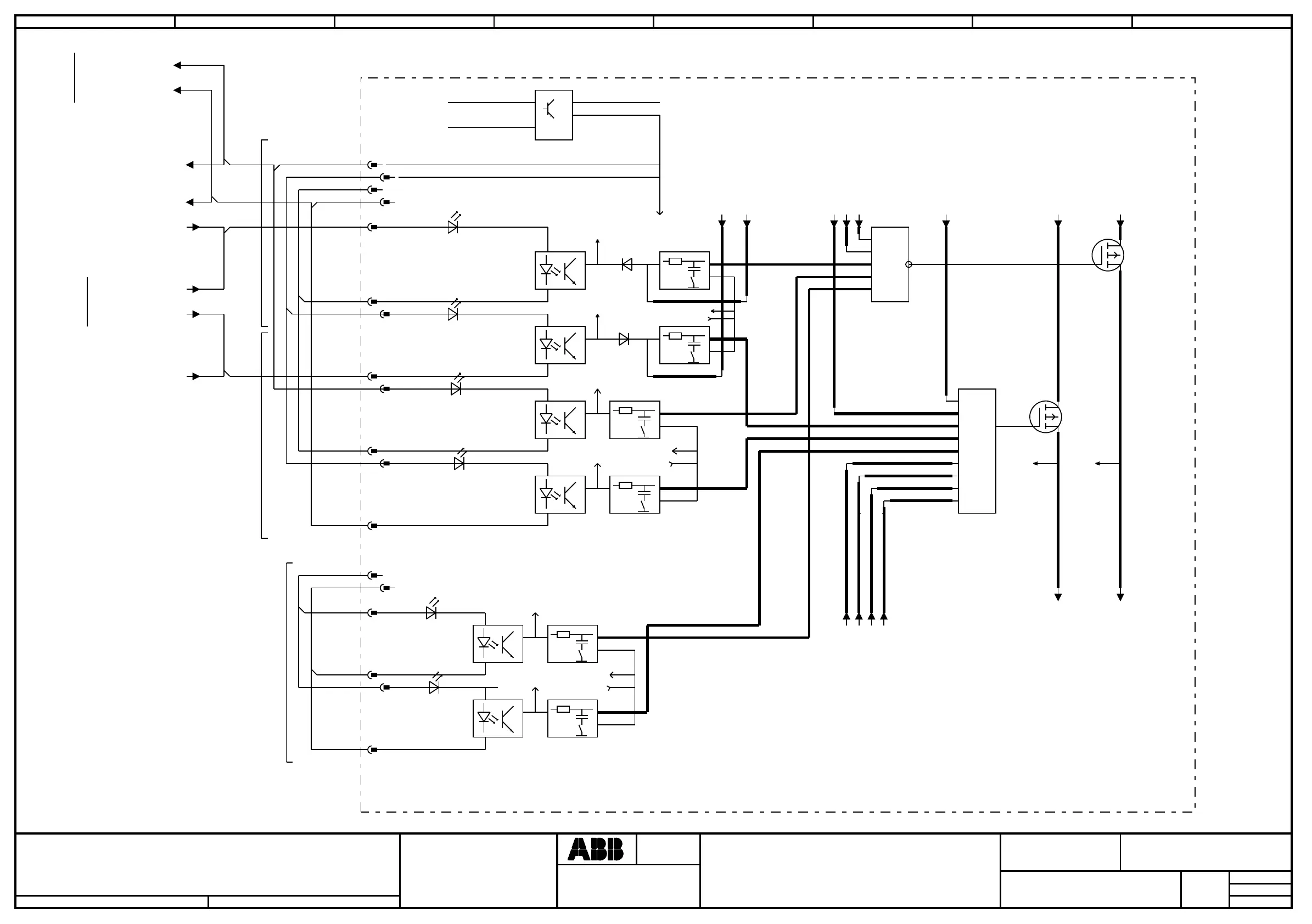
EMERGENCY STOP
Location:
Plant:
=
+
+
Sublocation:
EUROMAP
CM.2
Document no.
Next
Rev. Ind
03
Lab/Office:
Status:
Approved
JSUNDIN MTORNROS
2008-07-17
1 2 3 4 5 6 7 8
AUTO
STOP
GENERAL
STOP
SUPERIOR
STOP
AS1+
AS1-
AS2+
AS2-
GS1+
GS1-
GS2+
GS2-
SS1+
SS1-
SS2+
SS2-
-X5
12
12
7
7
11
11
9
9
3
3
8
8
2
2
-X6
6
6
4
4
2
2
3
3
6
6
1
1
5
5
10
10
4
4
1
1
5
5
0V
0V
0V
24V PANEL
24V PANEL
24V PANEL
SS1
SS2
AS1
AS2
GS1
GS2
SS1
SS2
SOFT SS
AS1
AS2
GS1
GS2
SOFT GS
SOFT AS
MAN2 / /15.4
MAN1 / /15.4
EN2 / /15.4
EN1 / /15.4/17.3 / ENABLE2_1
RunCh_0V / /14.5/17.3 / ENABLE2_2
/17.3 / ENABLE2_3
/17.3 / ENABLE2_4
&
RunCh+ / /14.5
&
CH2
RCH2 / /14.6/17.4 / RCH2
CH1
RCH1 / /14.6/17.4 / RCH1
-A21
PANEL BOARD
24V SYS
0V SYS
24V PANEL
24V FPU POWER
24V PANEL
/48.6 /50.3 / KSD1 :24
/48.3 /50.3 / KSD1 :23
/48.3 /50.3 / KSD1 :13
/48.5 /50.3 / KSD1 :14
1024
1026
1027
1043
/52.7 / AS1+_EM
/52.8 / AS2-_EM
/52.3 / 24V_PANEL
/52.3 / 0V_PANEL
EM FOR
2 IMM
EM FOR
2 IMM

Table of Contents

Other manuals for ABB IRC5

Related product manuals