EasyManua.ls Logo

ABB IRC5 - Option: Power Supply for Single Cabinet

ABB IRC5
549 pages
Print Icon
To Next Page IconTo Next Page
To Next Page IconTo Next Page
To Previous Page IconTo Previous Page
To Previous Page IconTo Previous Page
Loading...
Prepared by, date:
37
We reserve all rights in this document and in the information contained therein.Reproduction, use or
disclosure to third parties without express authority is strictly forbidden. © Copyright 2003 ABB
Page 36
153Total
3HAC024480-004
Latest revision:
Approved by, date:
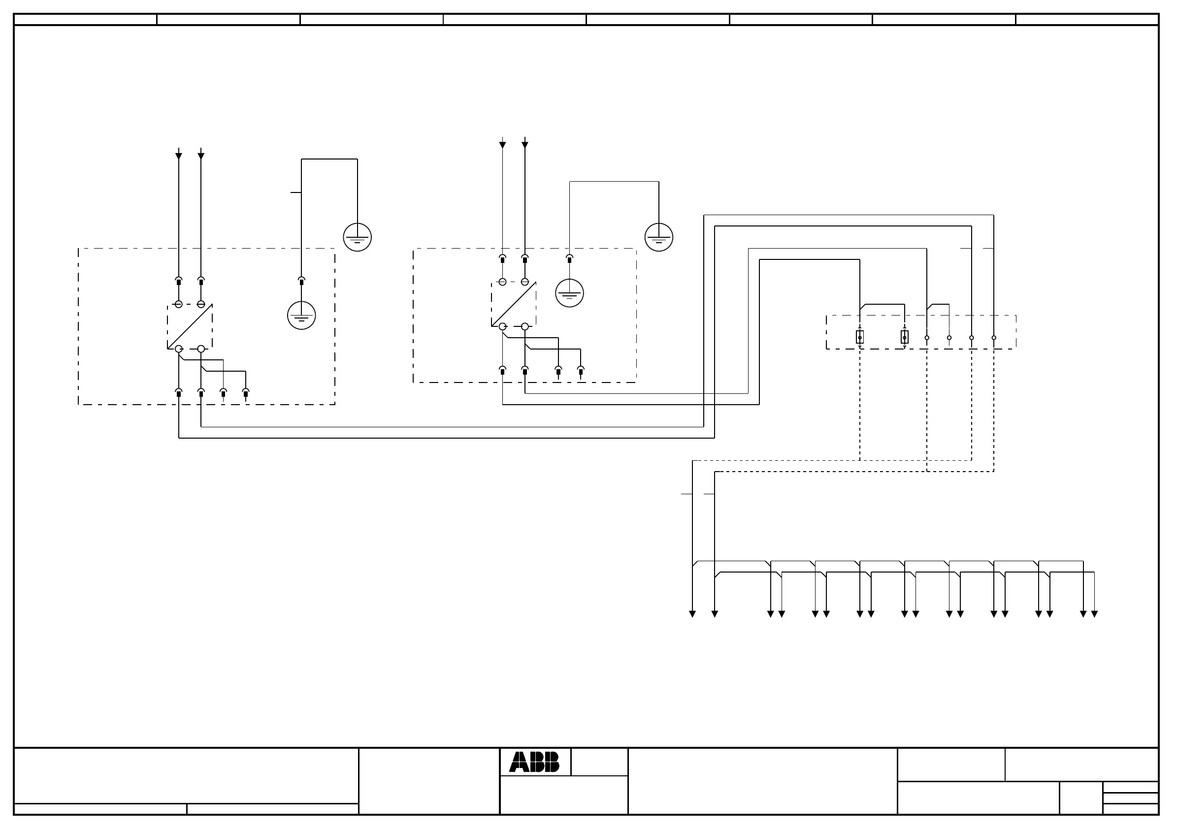
OPTION: POWER SUPPLY
FOR SINGLE CABINET
Location:
Plant:
=
+
+
Sublocation:
CAB.SC
CM
Document no.
Next
Rev. Ind
03
Lab/Office:
Status:
CONTROL SYS. IRC5 M2004 DESIGN 06
Approved
2008-07-17
1 2 3 4 5 6 7 8
-G6
DEVICENET
POWER
SUPPLY
-X1 LL
-X2 ++
AC
NN
--
DC
++ --
AWG16
gnye
GNDGND
-G4
CUSTOMER
POWER
SUPPLY
-X1
11
-X2 +
AC
55
-
DC
+
33
-
-704 AWG20 BU
-703 AWG20 BU
2A
-XT31
2
1
704
2A
4
3
6
5
703
8
7
-297 AWG16 BU
99
704
-298 AWG16 BU
1010
703
230V AC1;1 / /86.6
230V AC2;1 / /86.7
230V AC1;2 / /86.6
230V AC2;2 / /86.8
/60.2 / +24Vdevicenet;1
/60.2 / 0Vdevicenet;1
/63.2 / +24Vdevicenet;2
/63.2 / 0Vdevicenet;2
/66.2 / +24Vdevicenet;3
/66.2 / 0Vdevicenet;3
/68.2 / +24Vdevicenet;4
/68.2 / 0Vdevicenet;4
/69.2 / +24Vdevicenet;5
/69.2 / 0Vdevicenet;5
/70.2 / +24Vdevicenet;6
/70.2 / 0Vdevicenet;6
/71.2 / +24Vdevicenet;7
/71.2 / 0Vdevicenet;7
/72.2 / +24Vdevicenet;8
/72.2 / 0Vdevicenet;8
/73.2 / 0V ReS
/73.2 / 24V Res

Table of Contents

Other manuals for ABB IRC5

Related product manuals