EasyManua.ls Logo

ABB IRC5 - Interbus Slave

ABB IRC5
549 pages
Print Icon
To Next Page IconTo Next Page
To Next Page IconTo Next Page
To Previous Page IconTo Previous Page
To Previous Page IconTo Previous Page
Loading...
Prepared by, date:
45
We reserve all rights in this document and in the information contained therein.Reproduction, use or
disclosure to third parties without express authority is strictly forbidden. © Copyright 2003 ABB
Page 44
48Total
3HAC024120-004
Latest revision:
Approved by, date:
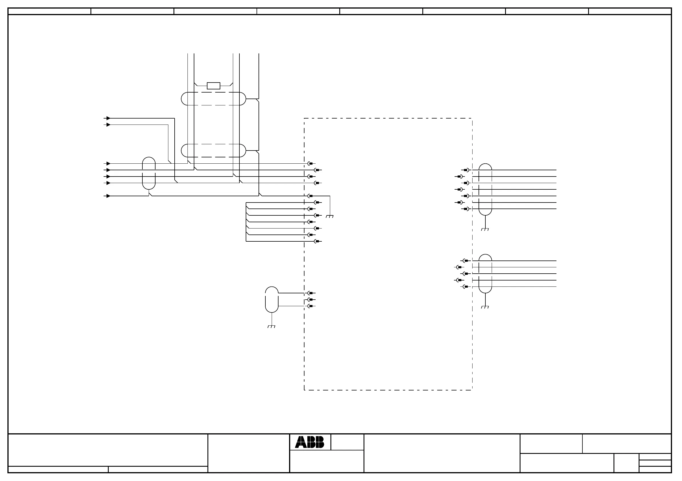
INTERBUS SLAVE
Location:
Plant:
=
+
+
Sublocation:
EUROMAP
CM
Document no.
Next
Rev. Ind
03
Lab/Office:
Status:
Approved
JSUNDIN MTORNROS
2008-07-17
1 2 3 4 5 6 7 8
1) JUMPERS PLACED ACCORDING TO
THE ACTUAL NODE ADDRESS.
2) RESISTANS 120 OHM SHALL ALWAYS
BE CONNECTED IN THE FIRST AND THE
LAST CONNECTOR IN THE CAN-BUS CIRCUIT.
3) CONNECTED IN THE LAST CONNECTOR IN THE
CAN-BUS CIRCUIT.
4) IT IS IMPORTANT THAT 24V DC EXT SUPPLY
ALWAYS IS AVAILABLE. OTHERWISE THE
INTERBUS CAN NOT WORK IF THE CONTROLLER
IS TURNED OFF.
OR PREVIOUS
I/O UNIT
/13.4 / +24V devicenet
/13.4 / 0V devicenet
/33.5 / V-
/33.5 / CAN_L
/33.5 / CAN_H
/33.5 / V+
/33.5 / DRAIN
3)
120 ohm
12
2)
4) 24V DC EXT. SUPPLY
TO NEXT
I/O UNIT
GND
+24VDC
1)
0V
NA0
NA1
NA2
NA3
NA4
NA5
-X5
1
1
4
4
3
3
7
7
9
9
11
11
-X3
1
1
3
3
5
5
2
2
5
5
6
6
8
8
10
10
12
12
2
2
6
6
22
55
77
-X20
1
1
3
3
7
7
-X21
11
33
66
99
TPDO2
TPDI2
GND
+5VDC
TPDO2-N
TPDI2-N
RBST
TPDO1
TPDI1
GND
TPDO1-N
TPDI1-N
IB-S OUT
IB-S IN
I/Ox
INTERBUS SLAVE

Table of Contents

Other manuals for ABB IRC5

Related product manuals