EasyManua.ls Logo

Agilent Technologies 5DX - Overview

Agilent Technologies 5DX
276 pages
To Next Page IconTo Next Page
To Next Page IconTo Next Page
To Previous Page IconTo Previous Page
To Previous Page IconTo Previous Page
Loading...
4-2 Power Subsystem
Overview 5DX Series 3
Overview
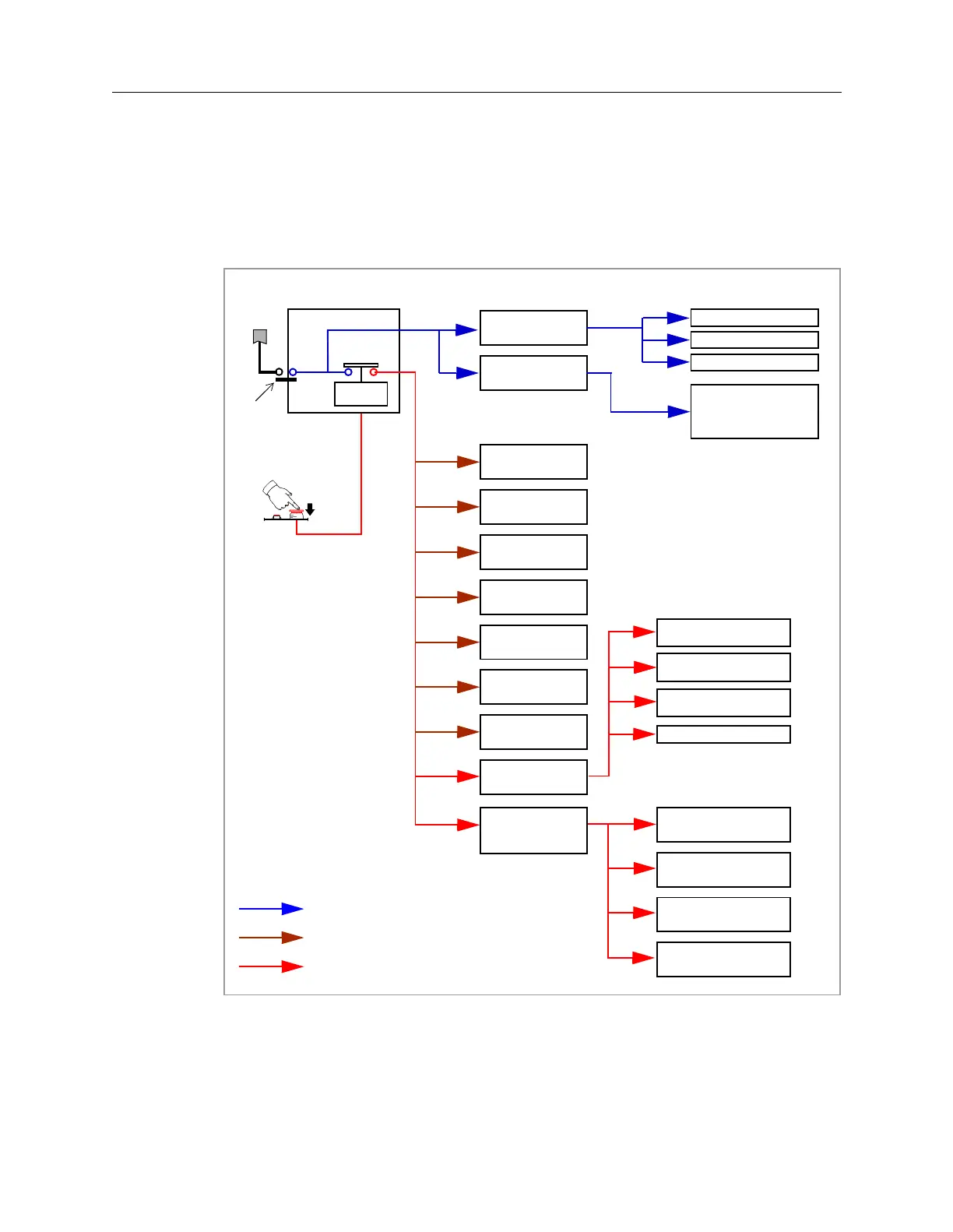
The Power Subsystem supplies all of the operating voltages to the various parts of
the Agilent 5DX System. The power subsystem, shown in Figure 4-1, provides ac
and dc power to the 5DX System.
Figure 4-1: 5DX Power Subsystem
3'8
$&
³0DLQV´
&RQWURO
&RQWDFWV
9ROWV$&
XQVZLWFKHGRXWOHWV
;0RWRU6HUYR
0RGXOH
/DVHU3RZHU
50RWRU6HUYR
0RGXOH
<0RWRU6HUYR
0RGXOH
/HIWDQG5LJKW
(PHUJHQF\6WRS
%XWWRQV
/DVHU3RZHU
6\VWHP&RQWUROOHU
([SDQVLRQ&KDVVLV
0RELOH:RUNVWDWLRQ
7DEOH0RQLWRUDQG
6SHDNHUV
;5D\6FDQ
&RQWUROOHU
<0RWRU6HUYR
0RGXOH
;UD\7RZHU)DQ
9DF,RQ3XPS3RZHU
6XSSO\
&DPHUD3RZHU6XSSO\
9ROWV$&
XQVZLWFKHGRXWOHWV
+LJK9ROWDJH3RZHU
6XSSO\
9ROW$&
6ZLWFKHG2XWOHW
%R[
;5D\6FDQ&RQWUROOHU
)RFXV&RLO3RZHU
6XSSO\
(OHFWURQLFV%D\)DQV
/RZ9ROWDJH3RZHU
6XSSO\
/DQ+XE$&DGDSWHU
9ROW$&
6ZLWFKHG2XWOHW
8QVZLWFKHG3RZHU
6ZLWFKHG3RZHU3'8UHDU
6ZLWFKHG3RZHU2XWOHW%R[
3'8
%UHDNHU

Table of Contents

Other manuals for Agilent Technologies 5DX

Related product manuals