EasyManua.ls Logo

Branson 2000X - Page 87

Branson 2000X
317 pages
Print Icon
To Next Page IconTo Next Page
To Next Page IconTo Next Page
To Previous Page IconTo Previous Page
To Previous Page IconTo Previous Page
Loading...
2000X energy Power Supply Chapter 5: Technical Specifications
Instruction Manual Standard Modules and Components
011-003-991 EN 5-9
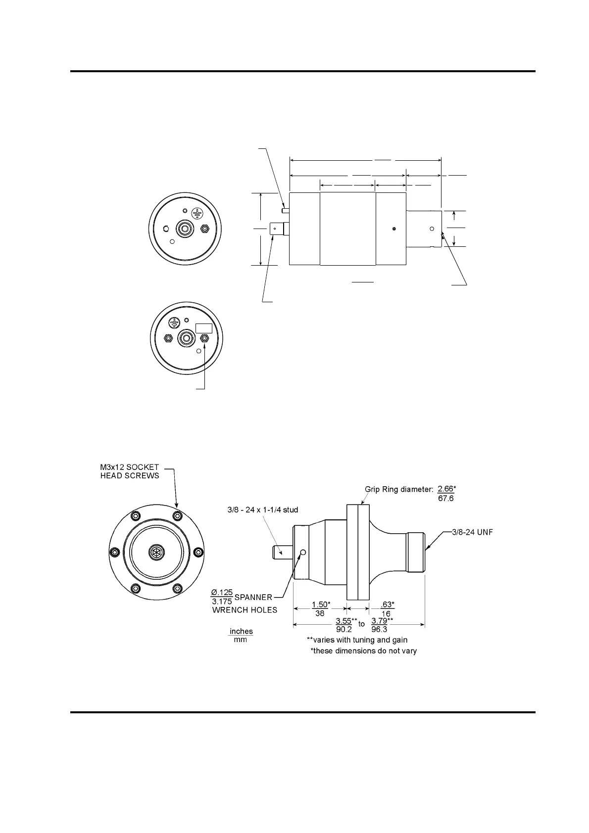
Figure 5.5 30 kHz Converter Dimensions
Figure 5.6 30kHz Booster Dimensions
EXTERNAL GROUND
USE 6-32 TERMINAL
AND FASTENER
SHV CONNECTOR
3/8-24 UNF
CR-30 End View
AIR INLET
ONLY
CR-30 and CH-30 are dimensionallly identical, and differ only in
their repective cooling feature. CR-30 has flow through cooling,
and CH-30 has a closed loop (air circulates through the converter
and returns to its source).
1.20
30
1.82
46
2.36
60
3.82
97
5.02
128
1.00
25
1.18
30
inches
mm

Table of Contents

Related product manuals