EasyManua.ls Logo

doble TDR9000 - AN4: TDR9000 Contact and Resistor Measurement Dynamics; Figure I.21 Contact and Resistor Measurement

doble TDR9000
454 pages
Print Icon
To Next Page IconTo Next Page
To Next Page IconTo Next Page
To Previous Page IconTo Previous Page
To Previous Page IconTo Previous Page
Loading...
TDR9000
Circuit Breaker Test System User’s Guide
72A-1898 Rev. A 11/01 I-23
Monday, November 26, 2001 1:09 pm
AN4: TDR9000
Contact and Resistor Measurement Dynamics
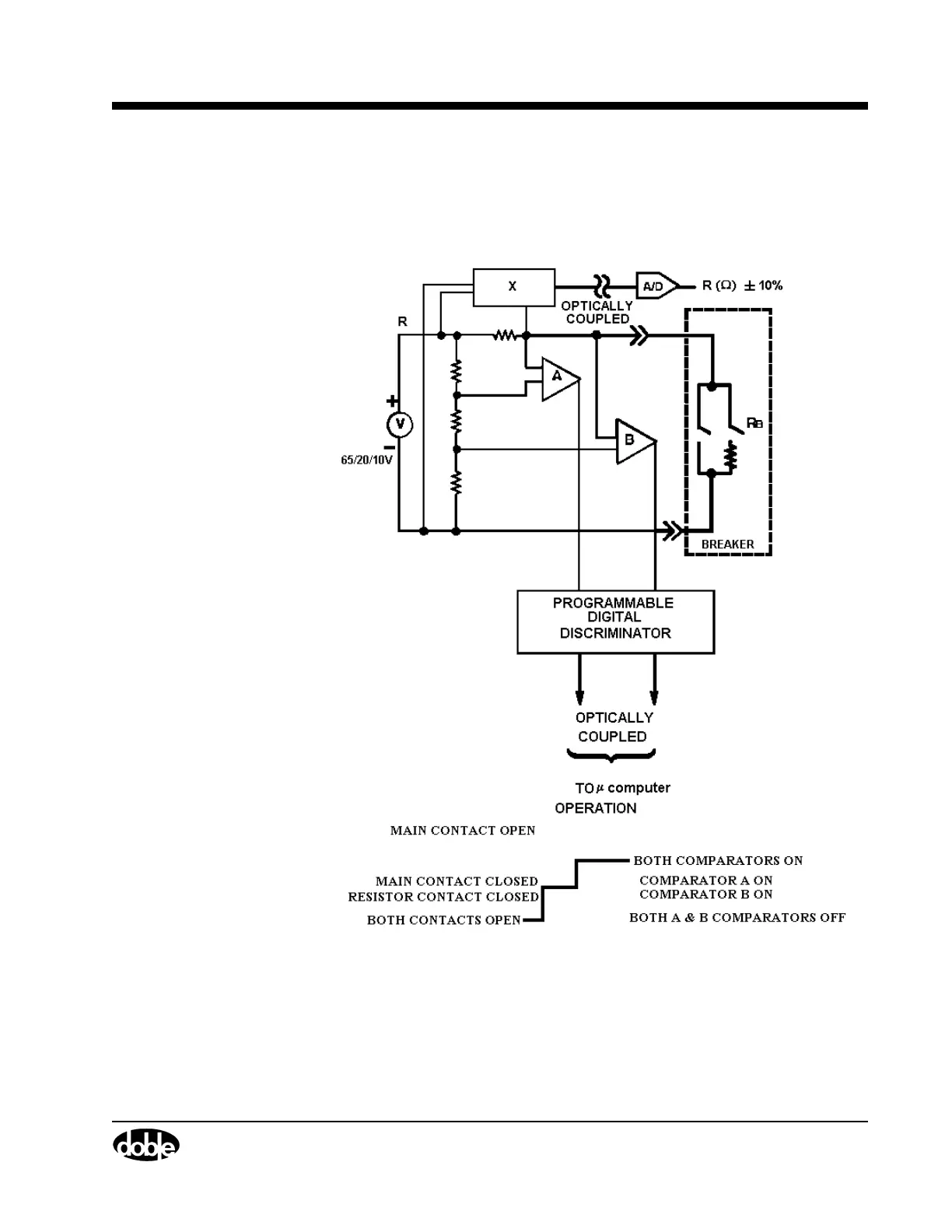
Figure I.21 shows a schematic for the TDR9000 contact and resistor
measurement.
Figure I.21 Contact and Resistor Measurement

Table of Contents

Related product manuals