EasyManua.ls Logo

HBM MGCplus - Page 291

HBM MGCplus
304 pages
Print Icon
To Next Page IconTo Next Page
To Next Page IconTo Next Page
To Previous Page IconTo Previous Page
To Previous Page IconTo Previous Page
Loading...
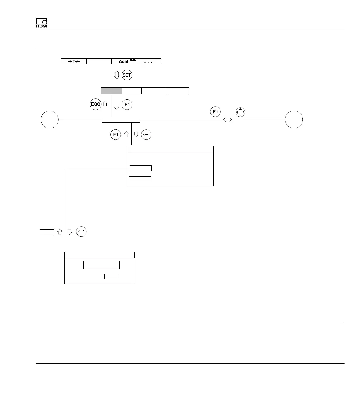
Menu structure
MGCplus A0534-30.0 HBM: public 291
NTP
Status
Synchronization
PTP
off
off
Status: MASTER
Display
Amplifierer
OptionsSystem
oder
E
NTP
Server:
OK
OK
CP52
Synchronization
F

Table of Contents

Related product manuals